EasyManua.ls Logo

Vector VREF12-LB-RGD - Wiring Diagram - Solid Door

Vector VREF12-LB-RGD
48 pages
Print Icon
To Next Page IconTo Next Page
To Next Page IconTo Next Page
To Previous Page IconTo Previous Page
To Previous Page IconTo Previous Page
Loading...
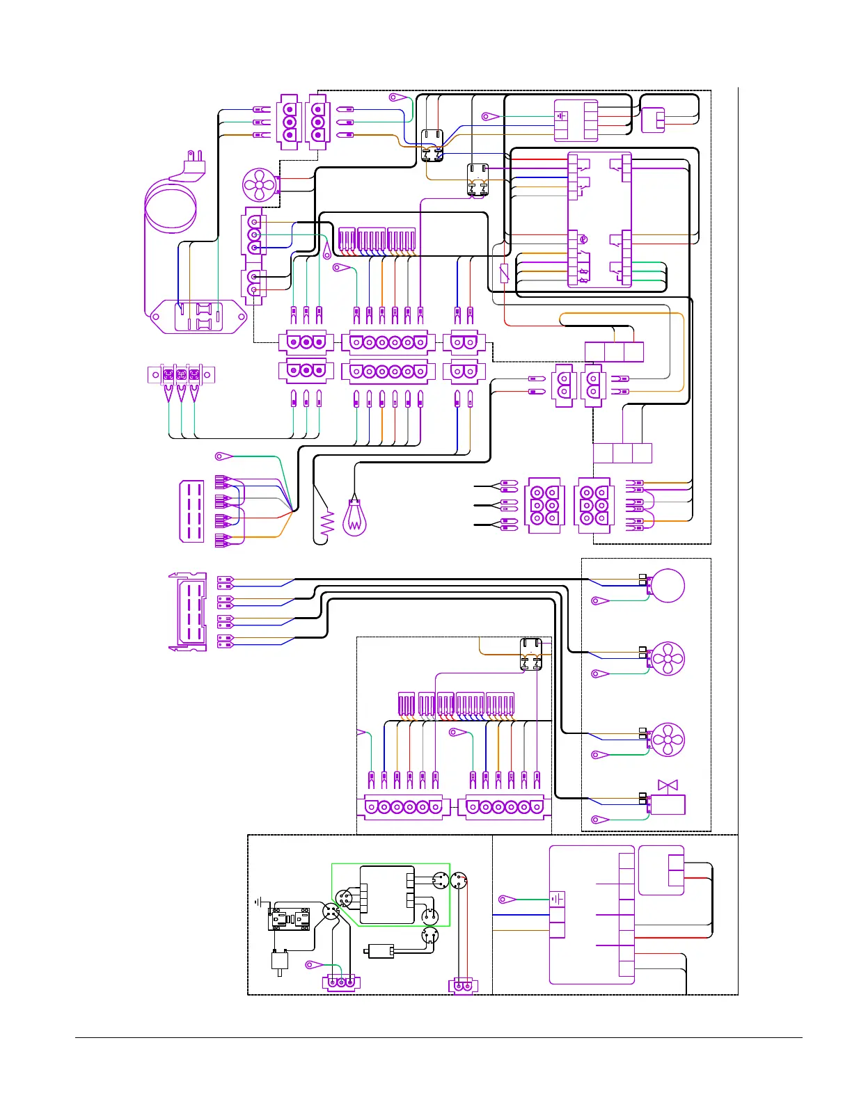
Vector Lab Products Refrigerators and Freezers 23
Wiring diagram - Solid Door
White
1 5 2 6 3 7 4 8
Green
Violet
Grey
Red
Orange
1 234
5678
Grey 18awg
Red 18awg
Orange 18awg
Violet
Grey
Red
Orange
White
Green
Pb1 Pb2 Pb3
Brown 22awg
Yellow 22awg
Electrical box
Violet 22awg
Red 18awg
Grey 18awg
Orange 18awg
Black 18avg
Red 22 awg
White
White
White 18awg
Grey
Brown
Yellow
Brown
White
Red 22awg
Black 22awg
Brown
White
White
Red 18awg
White
Green
Black
Yellow
Grey
Brown
Grey 22awg
1 6 2 5 3 4
1
6
2
5 3
4
Brown
Yellow
Grey
COM
N.O.
N.C.
FB
BC
N L
V+
+
V-
-
Battery
A2
A1
21
14 11
RELAY
22
A2
A1
21
14 11
RELAY
22
12V
Red
Black
Brown
Yellow
Grey
Green 22awg
Black
Red
White
Red
Black
Black
Red
Battery
12V
+
-
Black
Red
LX
12V
C
NO
NC
1
Evco
EV3294N3
2 3 4 5 12987 1110
4232224131 19 20
Black
White 18awg
Red
Black
C
NO
NC
Red
Black
AF
Black
Red
3
2
1
C1 C2
Violet 16awg
White 16awg
Green 16awg
White 16awg
Black 16awg
Green 16awg
White 16awg
Black 16awg
White 14awg
Green 14awg
Black 14awg
1 2 3 4
5678
EFCFM1
M
DV
84736251
Black
White
Ground
Ground
Ground
Ground
Black
White
1 5 2 6 3 7 4 8
Black
White
Black
White
Black
White
Black
White
Black
White
Black
White
Battery
V+
N L
Power supply
100-240Vac
V-- ++ -+ -
Low
Battery
AC OK
Output
12Vdc
Battery
12V
+
-
Brown
Blue
Ground
Red
Black
Red
Black
Red
Black
Battery charger connections
black (2) 16awg
black (1) 16awg
black
ES
PS
ES and PS
components are
on cromatograph
systems
Reset Key
Reset
input
NL
Power input
+
-
DC
input
4 3
LED 1
LED 2
HC
Gas Sensor
board
B
B'
A'
Power supply
12Vdc
Reset
Key
C
C'
LED 3
Electrical Outlet
1 2
12
1
2
34
1
4
2
3
2
1
2
1
1
2
1
2
A
HC sensor and socket connections
red 22awg
black 22awg
C2
C1
Violet 16awg
Grey 18awg
Red 18awg
Orange 18awg
White 16awg
Green 16awg
Black 16awg
A2
A1
21
14 11
RELAY
22
12V
Violet 16awg
Grey 18awg
Red 18awg
Orange 18awg
White 16awg
Green 16awg
Black
Red
White
Grey Orange
Unit 2 Unit 1
Double unit
connections
Cooling unit
M1 = COMPRESSOR
CF = CONDENSER FAN
EF = EVAPORATOR FAN
EV = DEFROST VALVE
AF = AUXILIARY FAN (12V)
FB = FILTER + BRAKER
FH = DOOR FRAME HEATER
LX = LIGHT
FU = FUSE (800mA)
Pb1 = CABINET PROBE
Pb2 = EVAPORATOR PROBE
Pb3 = CONDENSER/MONITORING
PROBE
DS1 = DOOR SWITCH
(one for each door)
DS2 = DOOR SWITCH
(one for each solid door)
DS2
DS1
Black 16awg
Green 16awg
White 16awg
Brown
White
FU
Black
White
Brown 22 awg
Black 22awg
White 22 awg
Grey
Brown
Yellow
White
Black 22awg
White 22awg
Ground

Related product manuals