EasyManua.ls Logo

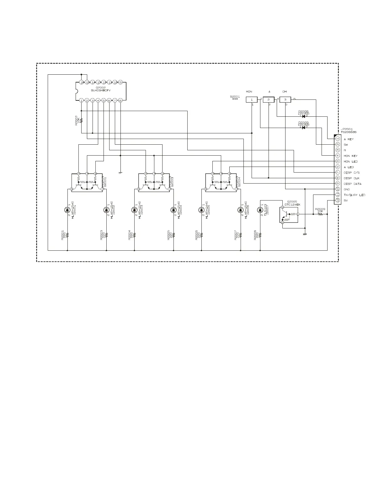
Vertex Standard VX-2000U - Display-1 Unit Circuit Diagram

Vertex Standard VX-2000U
65 pages
Print Icon
To Next Page IconTo Next Page
To Next Page IconTo Next Page
To Previous Page IconTo Previous Page
To Previous Page IconTo Previous Page
Loading...
Display-1 Unit
55
Circuit Diagram

Related product manuals