EasyManua.ls Logo

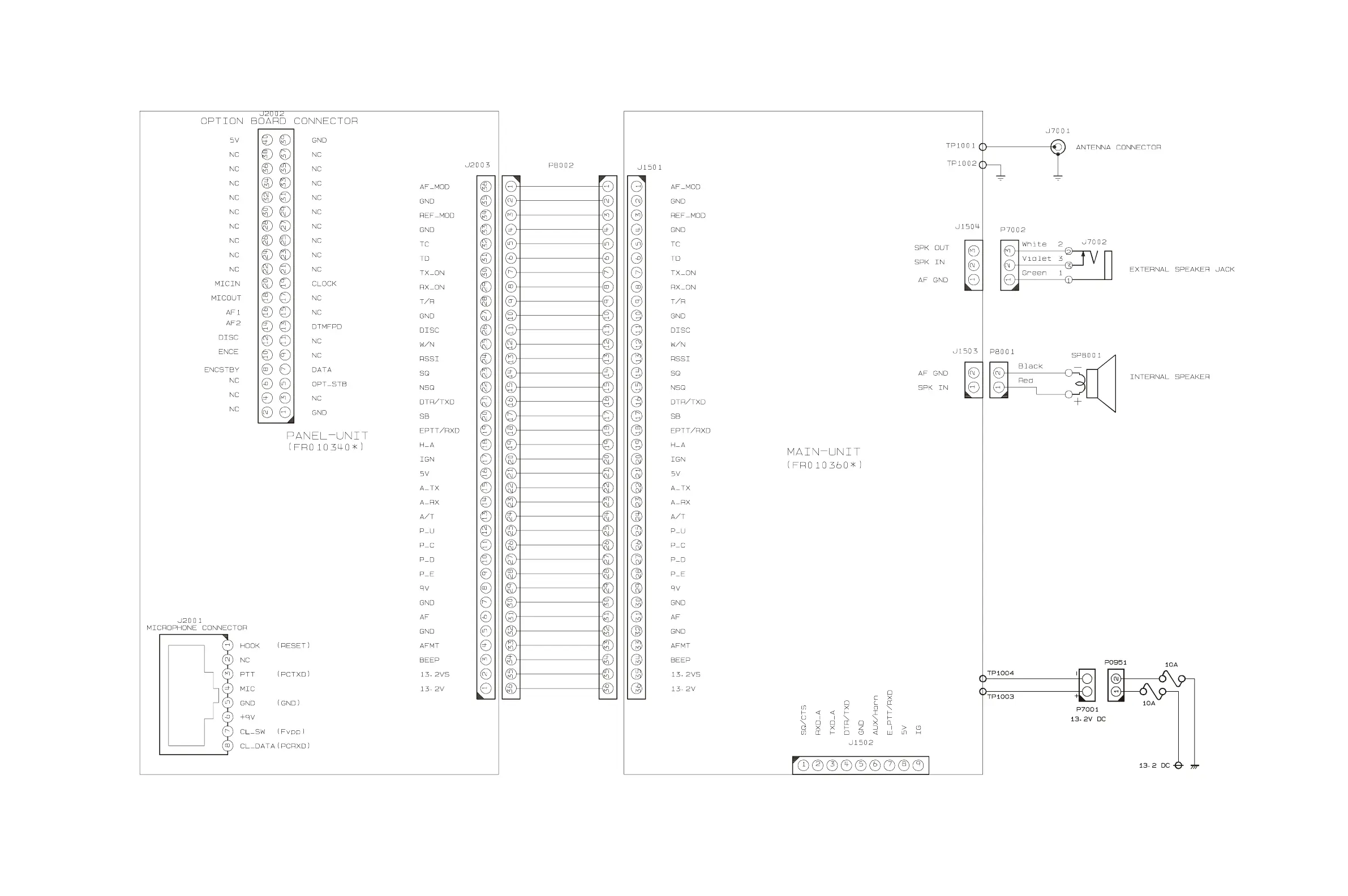
Vertex Standard VX-2500EV - Interconnection Diagram

Vertex Standard VX-2500EV
44 pages
Print Icon
To Next Page IconTo Next Page
To Next Page IconTo Next Page
To Previous Page IconTo Previous Page
To Previous Page IconTo Previous Page
Loading...
7
Interconnection Diagram

Related product manuals