EasyManua.ls Logo

Vertiv Liebert CRV CRD101-0D00A - Page 68

Vertiv Liebert CRV CRD101-0D00A
126 pages
Print Icon
To Next Page IconTo Next Page
To Next Page IconTo Next Page
To Previous Page IconTo Previous Page
To Previous Page IconTo Previous Page
Loading...
Electrical Installation
Vertiv | Liebert CRD10 | User Manual 56
terminal 51# and the other end to common terminal 24#. Each unit can be connected with multiple sensors
in parallel, but there would be only one water-underfloor alarm.
4.3.2
Solenoid Valve Kit
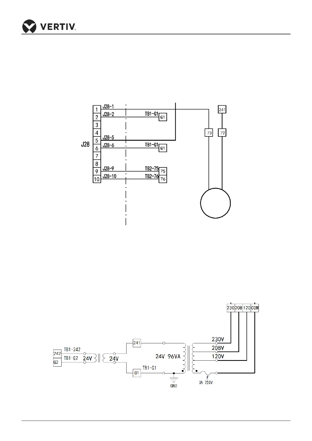
When installing the solenoid valve kit (LLSV), connect one end of the solenoid valve coil cable to terminal
72# and the other end to terminal 73#. Figure 4-4 shows the liquid line solenoid valve connection with the
respective terminals.
Figure 4-4 Freon Solenoid Connection with Terminal
4.3.3
Transformer connection cable
NOTICE!
CRD10 unit 96VA transformer default wiring is orange cable (230V to 24V). If the unit rated voltage is
208V, a properly trained and qualified electrician must change the transformer wiring from orange to
red cable (208V to 24V).
Figure 4-5 Transformer wiring diagram
Common Alarm
LLSV
Transformer
Transformer
BR
OR
R
WH
BK COM
BL

Table of Contents

Related product manuals