EasyManua.ls Logo

Vertiv Liebert PPC - Control Wiring Connections; Figure 16 Simplified Shutdown Circuit

Vertiv Liebert PPC
52 pages
Print Icon
To Next Page IconTo Next Page
To Next Page IconTo Next Page
To Previous Page IconTo Previous Page
To Previous Page IconTo Previous Page
Loading...
Vertiv | Liebert
®
PPC
User Manual | Rev. 6 | 03/18 | 26
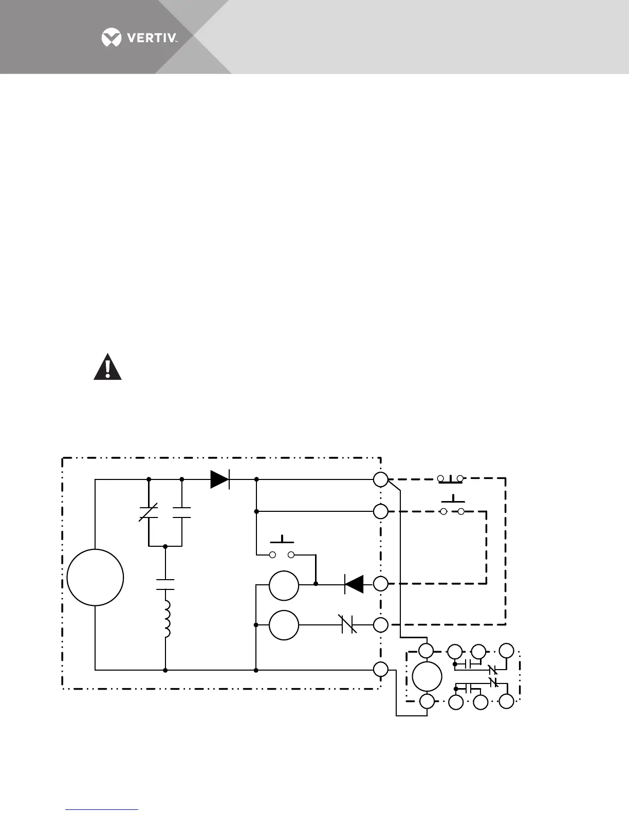
1.3.6 Control Wiring Connections
The NEC Article 645 requires that emergency power off (EPO) switches be located at the principal room exits.
All standard Liebert power conditioning systems have provision for external shutdown control from Remote
Emergency Power Off (REPO) stations. Figure 16 is a simplified diagram of the shutdown circuitry of the
Liebert PPC.
Low-voltage control circuit—As shown in Figure 16, the control circuit operates on 24 VDC. The shutdown
device (represented by the REPO switch) activates a low-current 24 VDC relay which in turn operates the
shunt-trip mechanism. The shunt-trip solenoid opens the Main Input Breaker, which de-energizes the
Liebert PPC.
Multiple-unit shutdown—When more than one Liebert PPC is installed by the user, a typical requirement is that
actuation of a single device (REPO, for example) must shut down all Liebert PPC’s. The low-voltage control
circuits of all standard Liebert PPC systems are designed to meet this requirement.
External control wiring connections for remote shutdown, alarm, and/or monitoring are made to the low-voltage
junction box (if used) or to the low-voltage control terminal strip located inside the unit.
Control wiring connections vary with the type of monitoring system furnished with the unit. Two typical control
wiring configurations are shown in Figures 17 and 18.
Code compliance—Control wiring connections must comply with the NEC and all other applicable codes.
Figure 16 Simplified shutdown circuit
WARNING
Risk of electric shock. Can cause injury or death.
Verify that all incoming high-voltage (power) and low-voltage (control) circuits are de-energized and
locked out before installing cables or making connections, whether in the junction box or in the unit.
K5
A
7 4
1
3
69
B
K6
K6K5
+ 24VDC
Overtemp
Switch
5
2
3
1
4
R1
+
-
Liebert PPC
Remote Shutdown
Devices
Main input
breaker
shunt trip
Unit EPO
Building
Interface
Relay
N.O. REPO
N.C. REPO
24 VDC
source

Table of Contents