EasyManua.ls Logo

Vetus BOW7512 - Wiring Diagrams and Codes; Electrical System Schematic; Wiring Colour Coding Scheme

Vetus BOW7512
Print Icon
To Next Page IconTo Next Page
To Next Page IconTo Next Page
To Previous Page IconTo Previous Page
To Previous Page IconTo Previous Page
Loading...
62 020536.03
Operation manual and installation instructions Bow thruster 75 kgf, ø 185 mm
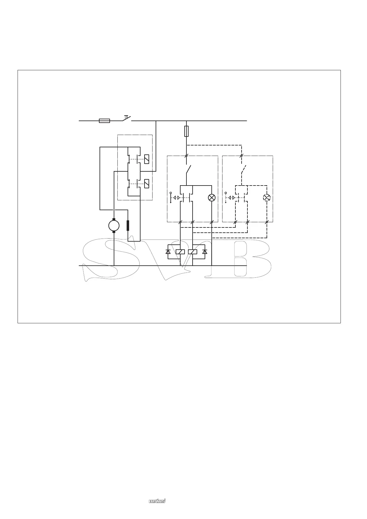
Elektrisch schema
Wiring diagram
Schaltschema
Circuit electrique
Esquema eléctrico
Schema elettrico
1 Hoofdzekering
2 Hoofdschakelaar
3 Stuurstroomzekering
4 Magneetschakelaar
5 Elektromotor
6 Bedieningspaneel
7 Accu
8 Steker
9 Kontrasteker
10 Verlengkabel
11 Dynamo
Kleurcode bedrading:
1 Blauw
2 Rood (+)
3 Zwart (-)
4 Wit
1 Main fuse
2 Main switch
3 Control current fuse
4 Solenoid switch
5 Electromotor
6 Control panel
7 Battery
8 Plug
9 Socket
10 Extension cable
11 Alternator
Wiring colour code:
1 Blue
2 Red (+)
3 Black (-)
4 White
1 Hauptsicherung
2 Hauptschalter
3 Steuerstromsicherung
4 Relais
5 Elektromotor
6 Bedienungspaneel
7 Batterie
8 Stecker
9 Kontrastecker
10 Zwischenkabel
11 Lichtmaschine
Farbkode für die Bedrahtung:
1 Blau
2 Rot (+)
3 Schwarz (-)
4 Weiß
K1 K2
1 4 3
6
3-10722
2
3
1
2
+
_
5
A1
A2
D1
D2
k1
k2
4
55/75/95/160/220 kgf

Table of Contents

Related product manuals