EasyManua.ls Logo

Victory RS - For the Service Tech - Two System Wiring Diagram

Victory RS
29 pages
Print Icon
To Next Page IconTo Next Page
To Next Page IconTo Next Page
To Previous Page IconTo Previous Page
To Previous Page IconTo Previous Page
Loading...
User Manual for RS and RSA Refrigerators Victory
Rev. 07/24Victory26
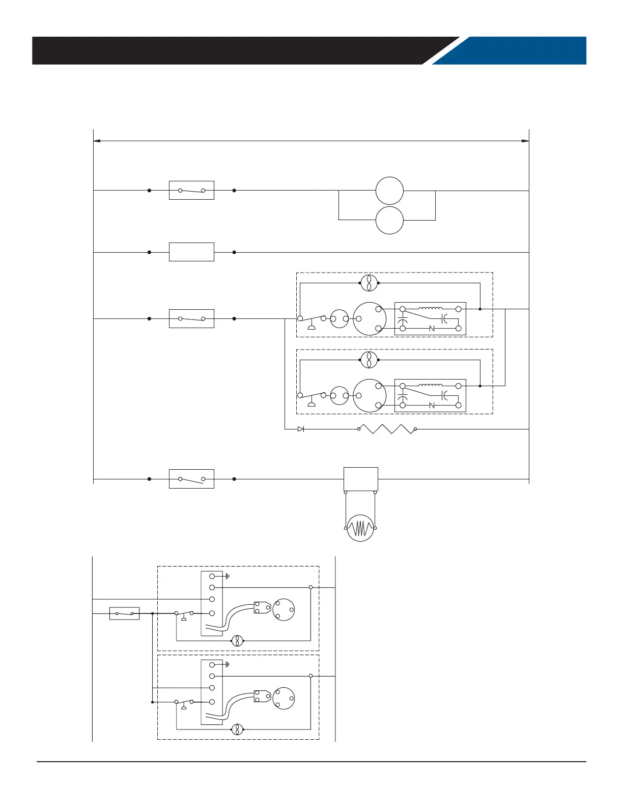
115VAC 60 HZ
EVAP
FAN
BLU
FAN RELAY
4 5
WHT
CONTROL
CIRCUIT
1 3
COMP RELAY
10 11
BRN
WHT
WHT
BLK
BLK
WHT
FASCIA HEATERS
RED
LIGHT RELAY
13 14
RED
CABINET
LIGHTS
POWER
SUPPLY
BLACK
WHITE
+
--
24VDC
HIGH CURRENT DIODE
WHT
COMPRESSOR DETAIL
START RELAY
10
COMP
CONDENSER FAN
C
R
S
2
4
OL
1
R.C.
S.C.
HIGH PRESSURE
LIMIT SWITCH
(NOT ALL MODELS)
BLK
BLK
BLK
BLK
BLK
HIGH PRESSURE
LIMIT SWITCH
(NOT ALL MODELS)
S.C.
R.C.
1
OL
4
2
S
R
C
CONDENSER FAN
COMP
10
START RELAY
COMPRESSOR DETAIL
BLK
EVAP
FAN
COMPRESSOR DETAIL
INVERTER (VFD)
PE
COMP
CONDENSER FAN
C
R
S
COMP RELAY
10 11
L
LSW
N
S
C
R
HIGH PRESSURE
LIMIT SWITCH
(NOT ALL MODELS)
HIGH PRESSURE
LIMIT SWITCH
(NOT ALL MODELS)
R
C
S
N
LSW
L
S
R
C
CONDENSER FAN
COMP
PE
INVERTER (VFD)
115V REFRIGERATOR
VARIABLE SPEED
COMPRESSOR
WIRING DIAMGRAM
(NOT ALL MODELS)
FOR THE SERVICE TECH - TWO SYSTEM WIRING DIAGRAM

Related product manuals