EasyManua.ls Logo

Viessmann Vitoplus 300 - Page 88

Viessmann Vitoplus 300
120 pages
Print Icon
To Next Page IconTo Next Page
To Next Page IconTo Next Page
To Previous Page IconTo Previous Page
To Previous Page IconTo Previous Page
Loading...
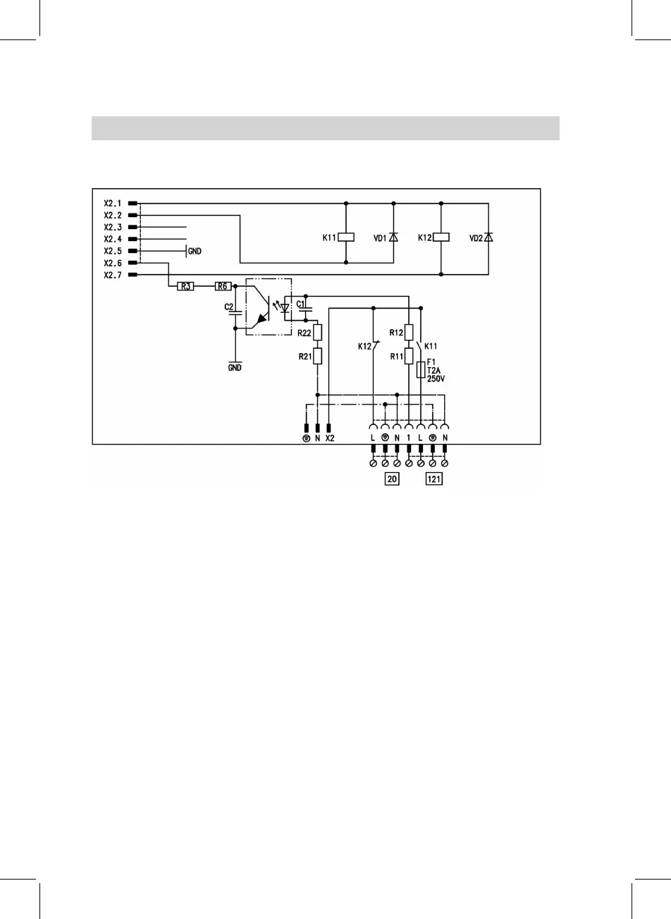
Internal extension H3
The internal extension is integrated
into the control unit casing. The fol-
lowing functions are connected to the
relay outputs:
Internal circulation pump
aXA Oil preheater
Control (cont.)
88
Function description
5692 536 GB

Related product manuals