EasyManua.ls Logo

Viessmann Vitoplus 300 - Page 89

Viessmann Vitoplus 300
120 pages
Print Icon
To Next Page IconTo Next Page
To Next Page IconTo Next Page
To Previous Page IconTo Previous Page
To Previous Page IconTo Previous Page
Loading...
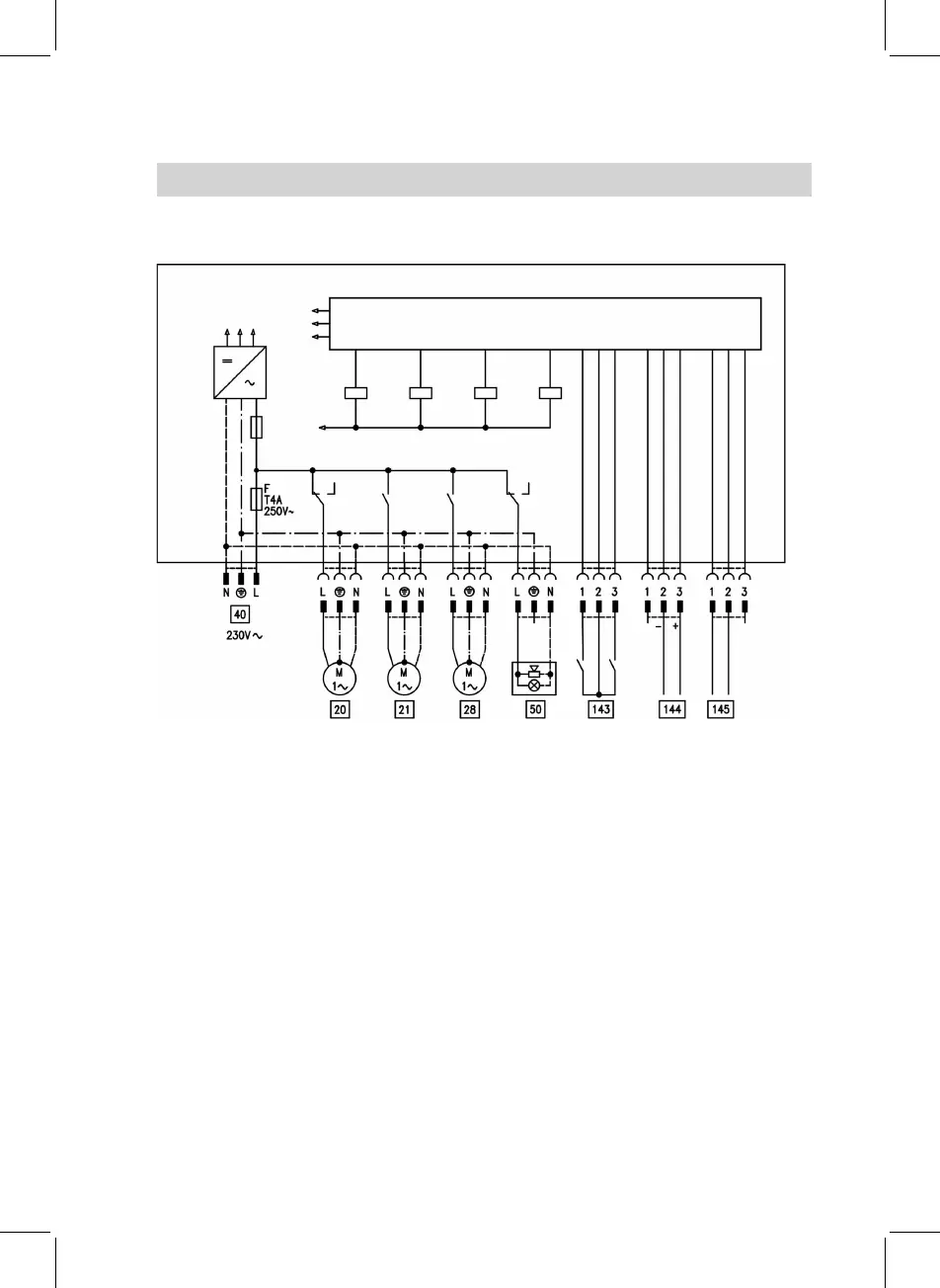
External extension H1
The external extension is connected
to the boiler control unit via the KM
BUS. The following functions can be
controlled or processed via the exten-
sion:
Heating circuit pump for the
heating circuit without mixer
sA Cylinder primary pump
sK DHW circulation pump
Power supply
Fault notification
aVD
&
External blocking
&
(terminals 2 - 3)
&
External demand
&
(terminals 1 - 2)
&
External operating mode chan-
geover (terminal 1 - 2)
&
The allocation of the "External
operating mode changeover"
function is selected via coding
address "91".
aVF External set value 0 - 10 V
aVG KM BUS
Extensions for external connections (accessories)
89
Function description
5692 536 GB

Related product manuals