EasyManua.ls Logo

Viking FDBB5361 - Comprehensive Wiring Schematic

Viking FDBB5361
55 pages
Print Icon
To Next Page IconTo Next Page
To Next Page IconTo Next Page
To Previous Page IconTo Previous Page
To Previous Page IconTo Previous Page
Loading...
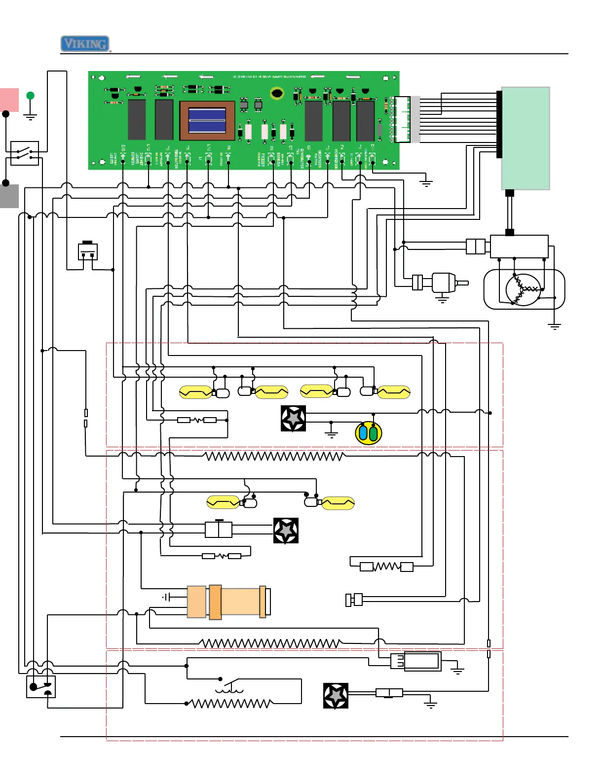
Wiring Diagrams
©2012 Viking Preferred Service 53
L1
N
Main Power
Switch
Refrigerator
Section Door /
Light Switch
Low Voltage Board
High Voltage Board
Inverter
Compressor
Condenser
Fan Motor
Refrigerator Thermistor
Crossover
Fan, 24 VDC
Freezer Thermistor
Evaporator
Fan, 120
VAC
Top Mullion Heater
Bottom Mullion Heater
Automatic
Ice Maker
Defrost
Terminator
Defrost Heater
Freezer Section
Door / Light
Switch
Drain Pan Heater
Float Switch
Service Fan
Drain Pan
24 VDC
Water Fill
Valve
Service
connection
for mullion
heaters
Service
connection
for service
fan
Refrigerator
Compartment
Freezer
Compartment
Bottom of
Cabinet
Plasma
Cluster

Table of Contents

Other manuals for Viking FDBB5361

Related product manuals