EasyManua.ls Logo

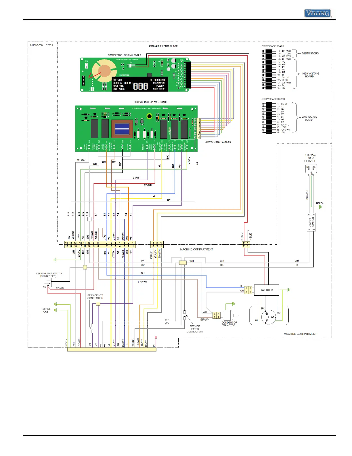
Viking FDBB5361 - Upper Section Wiring Diagram

Viking FDBB5361
55 pages
Print Icon
To Next Page IconTo Next Page
To Next Page IconTo Next Page
To Previous Page IconTo Previous Page
To Previous Page IconTo Previous Page
Loading...
Wiring Diagrams
54 © 2012 Viking Preferred Service
UPPER SECTION

Table of Contents

Other manuals for Viking FDBB5361

Related product manuals