EasyManua.ls Logo

Viking FDSB5481 - Side by Side Wiring Diagram

Viking FDSB5481
54 pages
Print Icon
To Previous Page IconTo Previous Page
To Previous Page IconTo Previous Page
Loading...
Wiring Diagrams
54 ©2012 Viking Preferred Service
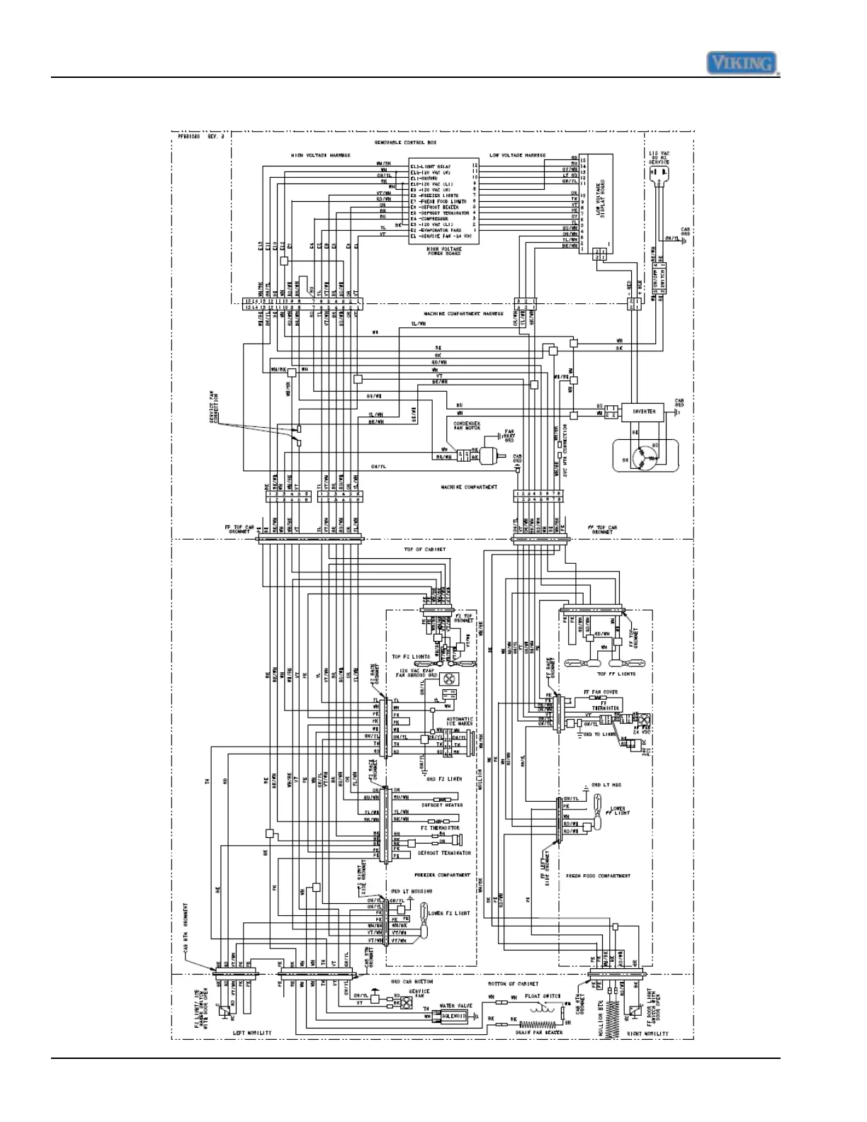
Side by Side Wiring Diagram

Table of Contents

Other manuals for Viking FDSB5481

Related product manuals