EasyManua.ls Logo

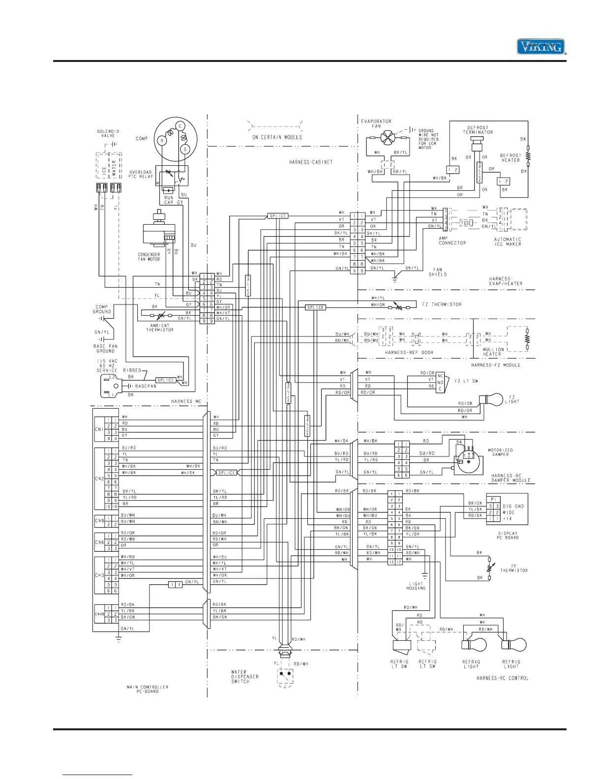
Viking VCBF136 - Wiring and Schematics; Full Schematic

Viking VCBF136
56 pages
Print Icon
To Next Page IconTo Next Page
To Next Page IconTo Next Page
To Previous Page IconTo Previous Page
To Previous Page IconTo Previous Page
Loading...
Wiring and Schematics
55
© 2010 Viking Preferred Service
Full Schematic

Table of Contents

Other manuals for Viking VCBF136

Related product manuals