EasyManua.ls Logo

Viking VCBF136 - Wiring Diagram

Viking VCBF136
56 pages
Print Icon
To Previous Page IconTo Previous Page
To Previous Page IconTo Previous Page
Loading...
© 2011 Viking Preferred Service
56
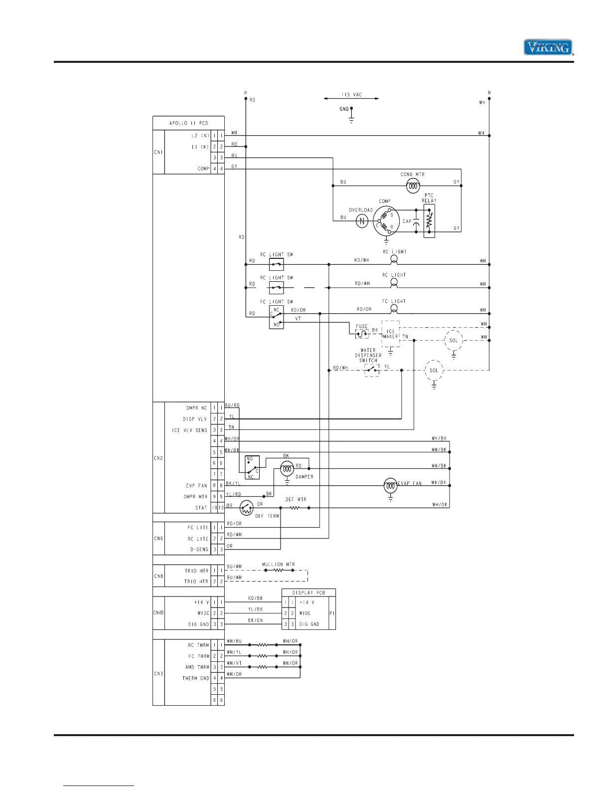
Wiring and Schematics
Wiring Diagram

Table of Contents

Other manuals for Viking VCBF136

Related product manuals