EasyManua.ls Logo

Volvo Penta D3 - Page 74

Volvo Penta D3
142 pages
Print Icon
To Next Page IconTo Next Page
To Next Page IconTo Next Page
To Previous Page IconTo Previous Page
To Previous Page IconTo Previous Page
Loading...
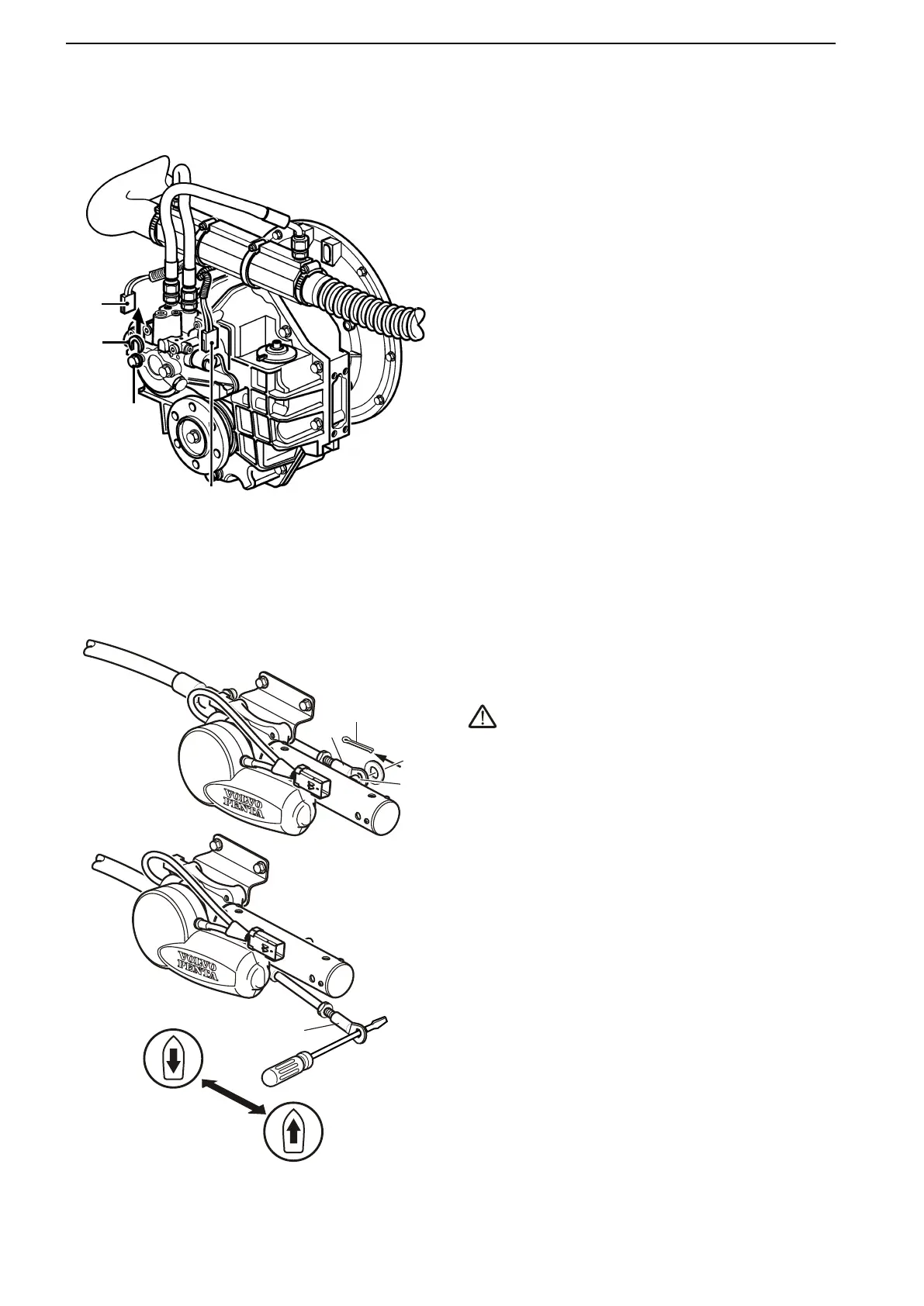
Emergency Shifting
If a fault occurs that prevents engaging gears with the
control lever (shifting), it is possible to engage them
manually.
Reverse gear
This description describes electronically shifted reverse
gear.
Manual shifting of gears
1 Stop the engine and cut the power.
If the boat is fitted with an ignition lock; remove the
ignition key from the lock.
2 Unscrew the screw (1) on the side where the cable
harness marked A is connected.
3 Remove the washer (2) and tighten the screw.
4 Disconnect the wiring A and B from the solenoid
valve connections.
The gears are now engaged for forward drive and can-
not be disengaged by the control lever.
Emergency Shifting, Drive
If a fault occurs which prevents the drive from being
operated (shifted) with the control lever, it is possible
to shift manually, using the description below.
WARNING!
In emergency shifting, the unit is locked in forwards
operation. Please note that the drive can not then be
disengaged with the control lever. Forward motion can
only be cut off by stopping the engine with the ignition
key or stop button..
Manual drive engagement
1 Stop the engine and take the starter key out of the
starter switch.
2 Pull out the split pin (1) and lift the adapter (2) from
the pin (3).
3 Place a screwdriver or similar tool in the adapter (2)
hole and move the control wire horizontally.
1
2
A
BP0002515
1
2
3
2
P0012022
In Case of Emergency
72 47705992 05-2015 © AB VOLVO PENTA

Related product manuals