EasyManua.ls Logo

VOR 450 - Page 98

VOR 450
102 pages
Print Icon
To Next Page IconTo Next Page
To Next Page IconTo Next Page
To Previous Page IconTo Previous Page
To Previous Page IconTo Previous Page
Loading...
M.Y.2004 ed.01/03
Pag. 94
15
12
11
7
20
13
21
8
2
4
3
9
10
16
18
19
17
1
5
6
14
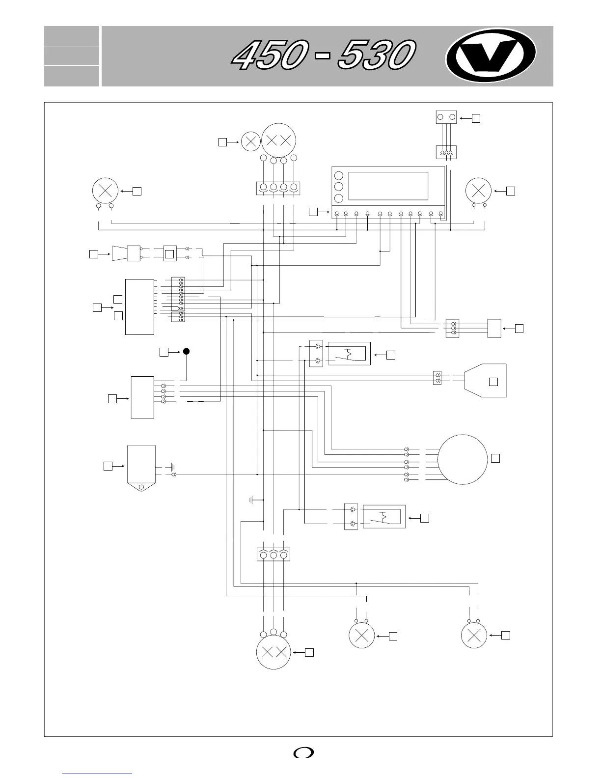
ELECTRICAL EQUIPMENT END MAR / SCHEMA ELETTRICO ENDURO MAR
EN-MAR
SCHALTPLAN ENDURO MAR / SCHEMA ELECTRIQUE ENDURO MAR
N
BL
G
V-G
B
VI
G-V
N
N
G
V
N
R
B-R
B-N
B-BL
A
G
RS
VI
V-G
V-BL
GR
B
BL
G-V
V-BL
G
B
N
G
B-N
GR
G
V-G
B
BL
M
G-V
B-N
G
B
N
N
B-BL
G-V
R
BL
G
G
N
V
N
N
G
G
A
G-V
A
B
G-V
B-BL
N
G-V
1

Table of Contents

Related product manuals