EasyManua.ls Logo

VST DD-700 - Electrical Connections

Default Icon
Print Icon
To Next Page IconTo Next Page
To Next Page IconTo Next Page
To Previous Page IconTo Previous Page
To Previous Page IconTo Previous Page
Loading...
21
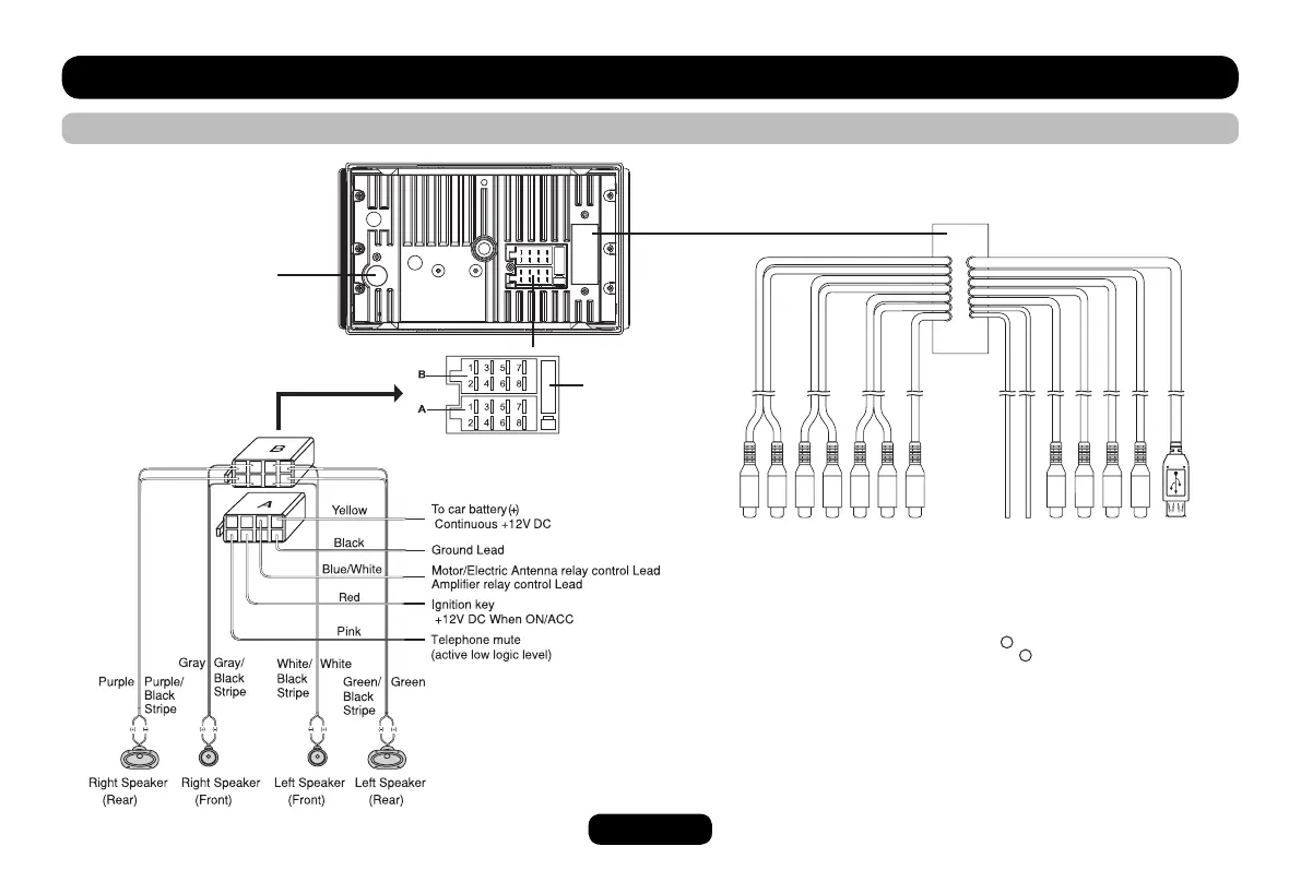
Electrical Connections
USB SLOT
CAMERA IN (Yellow)
VIDEO IN (Yellow)
VIDEO OUT 2 (Yellow)
SUB. W (Brown)
REAR SPEAKER-R (Red)
REAR SPEAKER-L (White)
FRONT SPEAKER-R (Red)
FRONT SPEAKER-L (White)
AUDIO IN-L (White)
AUDIO IN-R (Red)
VIDEO OUT 1 (Yellow)
PARKING (Green) -
CAMERA (Pink) +
ISO Connector
Antenna
Fuse 15A
Wiring Diagram