EasyManua.ls Logo

WABECO D3000 E - Block Circuit Diagram; for D2000 E and D2400 E

WABECO D3000 E
46 pages
Print Icon
To Next Page IconTo Next Page
To Next Page IconTo Next Page
To Previous Page IconTo Previous Page
To Previous Page IconTo Previous Page
Loading...
22
3.
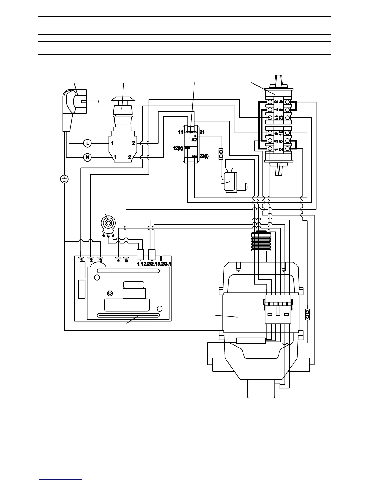
Block circuit diagram
3.1 for D2000 E and D2400 E
mains plug emergency OFF main switch reversing switch
switch for
protection cap
potentiometer
Date
Danger
control electronics
motor

Related product manuals