EasyManua.ls Logo

Wacker Neuson HI400HD D

Wacker Neuson HI400HD D
94 pages
To Next Page IconTo Next Page
To Next Page IconTo Next Page
To Previous Page IconTo Previous Page
To Previous Page IconTo Previous Page
Loading...
wc_tx003752gb_FM10.fm
88
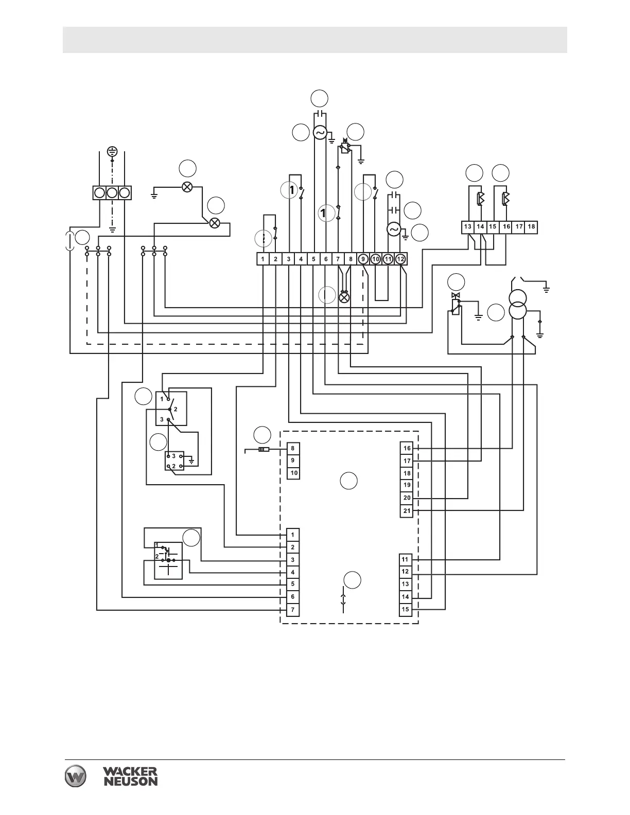
Schematics HI400HD D/ HD G
10.3 HI400HD G (2014)
wc_gr011975
1
24
16
17
7
11
1
2
2
18
1
13
5
4
6
5
2
3
19 20
3
8
15
9
21
12
10
22
7
L
N
WHWH
WH
BK
WH
YL/GN
YL
GY
RD
RD
RD
RD
RD
RD
RD
RD
RD
BU
YL/GN
YL/GN
YL/GN
YL/GN
YL/GN
WH
WH
WH
WH
WH
BU
BR
WH
WH
WH
WH
WH
WH
WH
WH
BK
BK
BK
BK
BK
BK
BK
BK
BK
WH
WH
BK
WH
BK
BK
BK
BK
BK
BK
BK
BK
BK
BK
BK

Table of Contents

Related product manuals