EasyManua.ls Logo

WarmFlow Agentis E26 Pro - Internal; External Combination Boiler Wiring Details

Default Icon
136 pages
Print Icon
To Next Page IconTo Next Page
To Next Page IconTo Next Page
To Previous Page IconTo Previous Page
To Previous Page IconTo Previous Page
Loading...
Page 57
6 ELECTRICITY SUPPLY & WIRING DETAILS
Note: All wiring activities described in the following sections should only be
undertaken by trained persons having an appropriate level of
competency/qualification.
220 – 240V. 1PH, 50Hz
The boiler/burner and other external electrical equipment should be wired with
heat resistant cable via a fused double pole isolating switch which should be fitted
with a 5 amp fuse.
The appliance must be effectively earthed and all external wiring should comply
with current IEE Regulations.
6.1 Dual-Safe Thermostat (Non-Combi Boilers)
Warning: Do not fit any other wires or loop wires to this thermostat as this will
bypass this control and safety device.
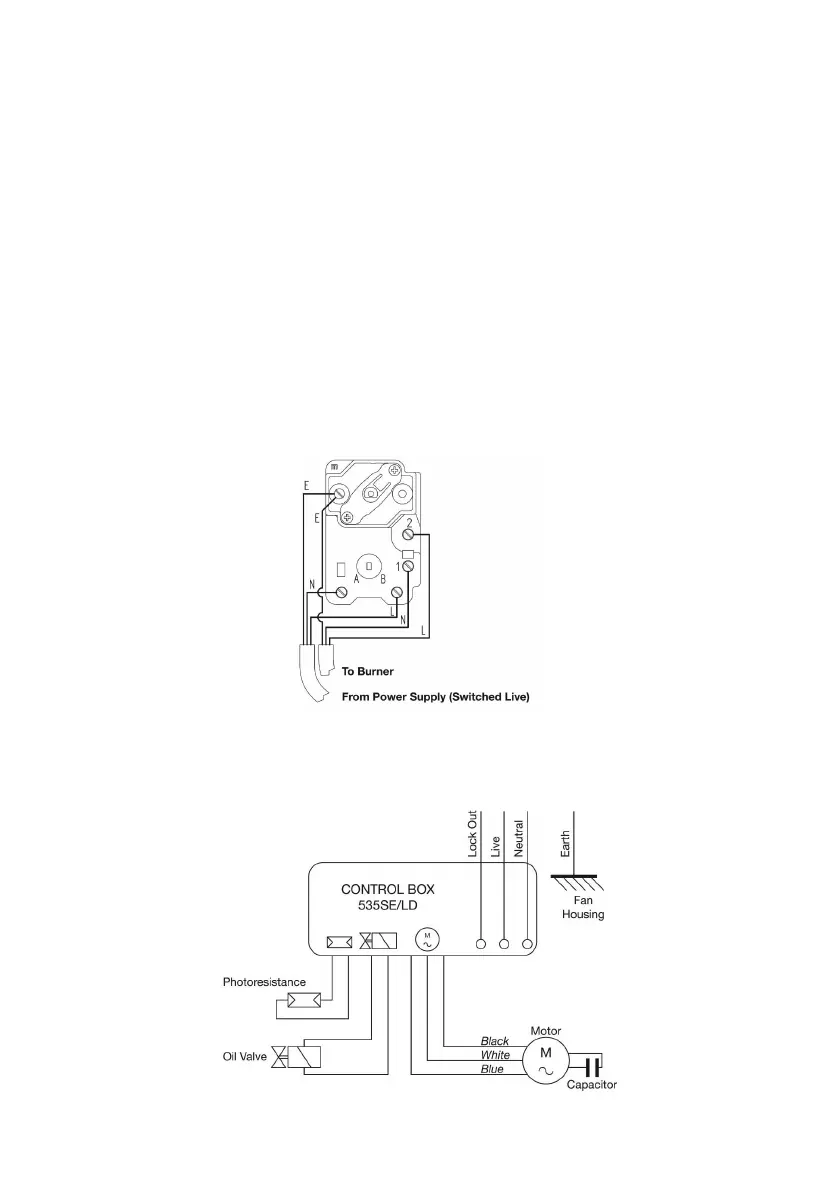
6.2 RDB Burner Control Box

Table of Contents

Related product manuals