EasyManua.ls Logo

WarmFlow Agentis E26 Pro - Wiring Diagram & Fuses

Default Icon
136 pages
Print Icon
To Next Page IconTo Next Page
To Next Page IconTo Next Page
To Previous Page IconTo Previous Page
To Previous Page IconTo Previous Page
Loading...
Page 59
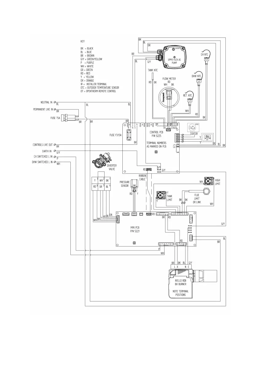
6.3.2 Wiring Diagram & Fuses
The appliance must have a permanent live supply connected to operate.
Perfector 5 Side:Back
CyanMagentaYellowBlackM1M2

Table of Contents

Related product manuals