EasyManua.ls Logo

Wascomat Selecta S28/125 - Page 34

Wascomat Selecta S28/125
76 pages
Print Icon
To Next Page IconTo Next Page
To Next Page IconTo Next Page
To Previous Page IconTo Previous Page
To Previous Page IconTo Previous Page
Loading...
27
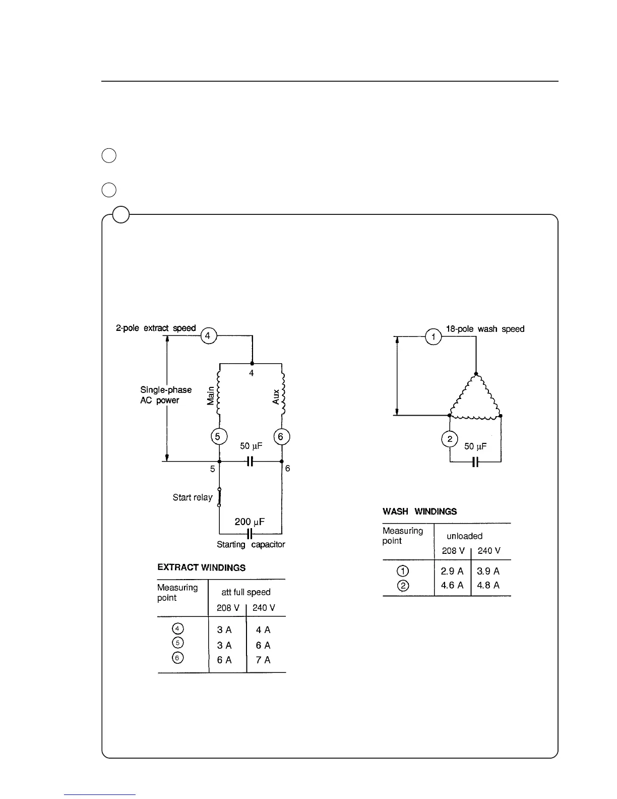
Mechanical and electrical design
Principal wiring and points of measuring on single-phase
motors.
The numbers at the connection points refer to the terminal num-
bers at the motor connector plug.
The numbers in circles indicate points of ampere measurements.
45
S28/125 208-240 V 60 Hz single-phase
1700
Fig.
45
Fig.
46

Related product manuals