EasyManua.ls Logo

Wayne HSG200 - Page 31

Wayne HSG200
52 pages
Print Icon
To Next Page IconTo Next Page
To Next Page IconTo Next Page
To Previous Page IconTo Previous Page
To Previous Page IconTo Previous Page
Loading...
31
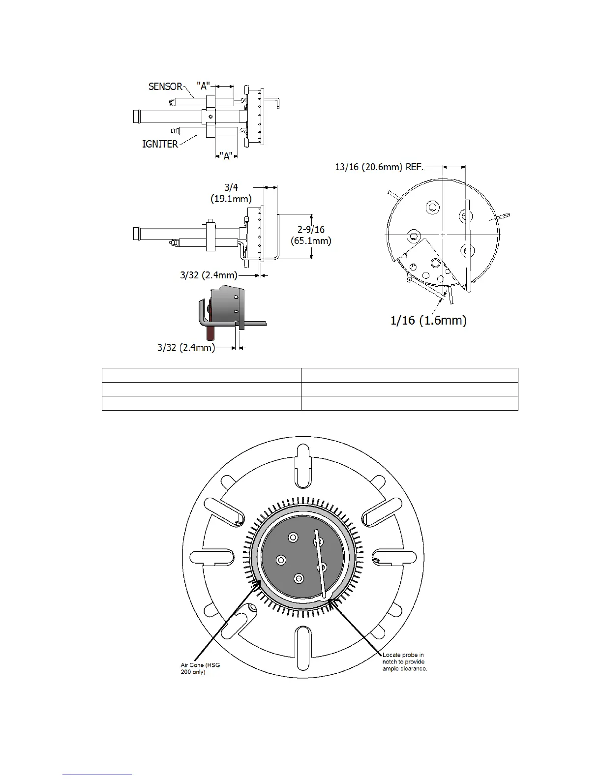
PROBE
DIM “A” REF
IGNITER
1 5/8 in (41.3mm)
FLAME SENSOR
1 1/4 in (31.8mm)
Figure 21: Igniter and Flame Sensor Probe Settings
Figure 22: Burner Face and Flame Sensor Probe Location

Other manuals for Wayne HSG200

Related product manuals