EasyManua.ls Logo

Wega NOVA Series - Single-phase ALE - EMA Version Wiring

Wega NOVA Series
68 pages
Print Icon
To Next Page IconTo Next Page
To Next Page IconTo Next Page
To Previous Page IconTo Previous Page
To Previous Page IconTo Previous Page
Loading...
46 of 68
TECHNICIANS manual
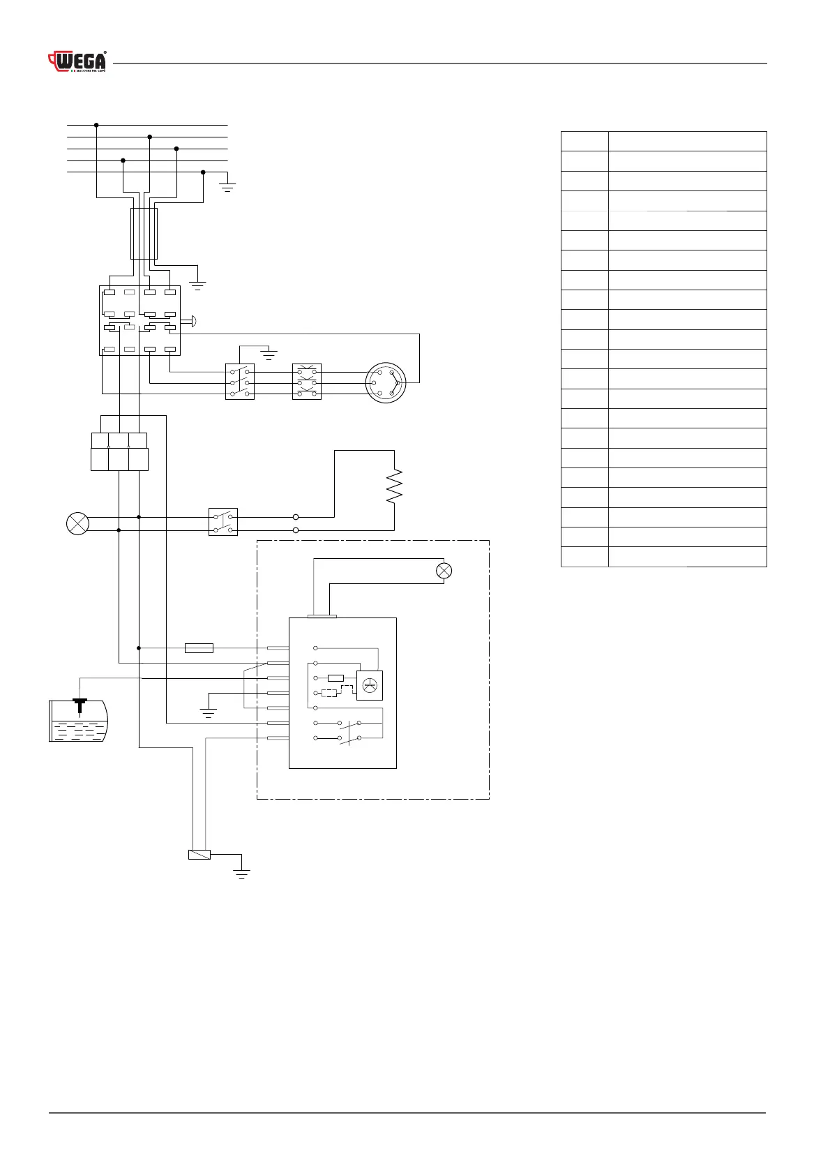
14.3 Single-phase ALE - EMA version
LED
BI
FU
RO
NE
GV
1
2
4
6
8
9
10
RL30
BL
GV
EC
BL
CAL
SL
13 9 5
1
3
71115
16 12 8
4
2
610
14
SCT
LA
CT
IST
PR
SA
CO
RE
400V
R
S
T
N
MA
BL NE GR GV
CAB
MA
BL
BI
White
BL Blue
CAB Power cable
CAL Boiler
CO Power switch
CT Supply connection
EC Boiler lling solenoid valve
FU Fuse
GR Grey
GV Yellow-green
LED LED Timeout
IST Cup heater switch
LA Indicator light
MA Brown
NE Black
RO Red
PR Pressure switch
RE Resistance
RL30 AEA control unit (optional)
SA Resistance safety device
SL Boiler level probe
VE Green

Table of Contents

Related product manuals