EasyManua.ls Logo

Wega NOVA Series - Single-phase VELA EMA U.L. Wiring

Wega NOVA Series
68 pages
Print Icon
To Next Page IconTo Next Page
To Next Page IconTo Next Page
To Previous Page IconTo Previous Page
To Previous Page IconTo Previous Page
Loading...
47 of 68
TECHNICIANS manual
ENGLISH
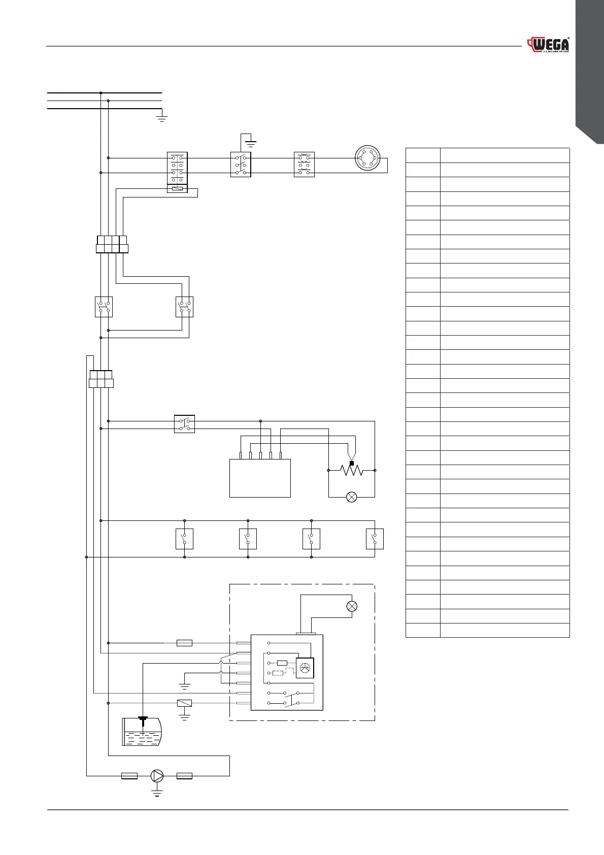
14.4 Single-phase VELA EMA version U.L.
F
N
NE BI
NE
BI BL
BI
BL
GR
BL
BI
BI
VE
NE BI BI VE
MA
BL BI VE
RO BI BL RO
RO BIBLBL
BI
RO
NE NE BI RO NE
NE BI
RO
BL
NE
RO
BI
GV
BL
MA
BL BI
TG PR SA
RE
CP
IG IR
CT
IS
TS
SCT
LR
NTC
MI1 MI2 MI3
MI4
FRL
LED
RL
EVC
SL
CAL
FP2 FP1
MP
12
4
58
1
2
4
6
8
9
10
BI
White
BL Blue
CAL Boiler
CP Supply connector
CT Electrical system connector
EVC Boiler lling solenoid valve
FP1(*) UL (OPD) Motor pump fuse
FP2(*) UL (OPD) Fuse for 230V
FRL Control unit fuse.
GR Grey
GV Yellow-green
IG Main switch
IR Heating element switch
IS Cup heater switch
LED LED Timeout
LR Cup warmer indicator light
MA Brown
MI1 GR1 microswitch
MI2 GR2 microswitch
MI3 GR3 microswitch
MI4 GR4 microswitch
MP Motor pump
NE Black
NTC Cup-warmer heating element NTC
PR Pressure switch
RE Resistance
RL AEA control unit
RO Red
SA Resistance safety device
SCT Cup heater heating element
SL Boiler level probe
TG Remote switch
TS Cup heater thermostat
VE Green
(
*
) Fuses for UL versions with plug with a greater capacity
than 30A

Table of Contents

Related product manuals