EasyManua.ls Logo

Weil-McLain EcoTec 80 - Page 44

Weil-McLain EcoTec 80
156 pages
Print Icon
To Next Page IconTo Next Page
To Next Page IconTo Next Page
To Previous Page IconTo Previous Page
To Previous Page IconTo Previous Page
Loading...
Part number 550-100-260/0520
44
ECO
®
Tec GAS-FIRED WATER BOILER80/110/150/199 BOILER MANUAL
Install boiler water piping (continued)
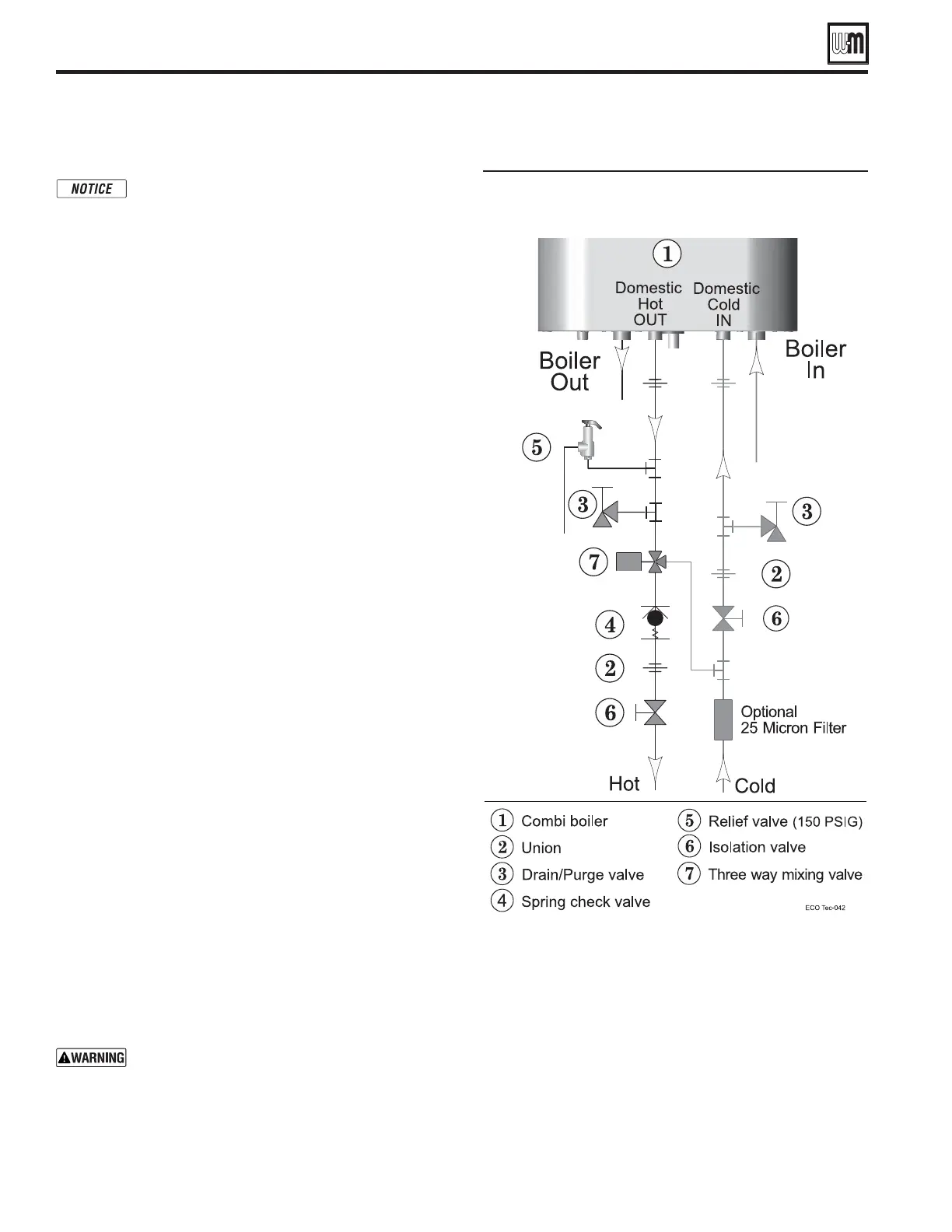
&IGURE Domestic Piping - Brazed Plate Heat
Exchanger - Ports 2 and 4
Recirculation (if used)
Massachusetts code applications require
recirculation piping or heat-traced piping if the
distance from the water heater to the furthest fixture
exceeds 100 feet.
Other jurisdictions may also require. Check local
codes.
Maintaining domestic water
temperature in the supply piping
1. Recirculation is used to reduce wait time for water use, to
minimize hot water and energy waste caused during the waiting
period, and to prevent degradation of the Boiler In water
temperature. ASPE recommends recirculation when the distance
from the water heater to the furthest fixture exceeds 100 feet or
the time lag for hot water to reach a fixture(s) exceeds 30 seconds.
2. Consult local codes and American Society of Plumbing Engineers
(ASPE) Domestic Water Heating Design Manual - latest edition,
for further information.
Recirculation pump (Figure 55, page 45, Item 8)
1. Circulator size must achieve a flow rate of 0.5 GPM or greater to
activate the boiler, the thermostatic mixing valve will vary the
flow rate through the boiler and must be considered when sizing
the circulator.
2. Minimum flow rates of the thermostatic mixing valve must
be maintained.
3. The circulator cannot run continuously as bypass through
the anti-scald mixing valve will eventually allow the water
temperature in the piping to climb to the water heater
temperature during draw periods, (heating performance would
be reduced based off of priority switching and priority timers).
4. An aquastat, timer, or occupancy sensor must be used
with recirculation pump to prevent continuous flow. Some
recirculation pumps may have smart controls that are suitable
as well.
5. See Figure 55, page 45 for recommend recirculation pump
piping diagram. This piping strategy is for a dedicated DHW
return pipe.
Aquastat (Figure 55, page 45, Item 9)
1. An Aquastat is recommended to be used when a recirculation
pump is installed. The aquastat is used to control the on-off
position of the recirculating circulator. Aquastat is set 5° to
10° lower than mixed water outlet of the anti-scald mixing
valve (Item 7).
2. A timer may be used in addition to the aquastat to limit the
time of day recirculation is used.
Domestic water supplied to fixtures that could pose
an injury hazard due to high temperature, such as
showers and faucets, should be equipped with a
temperature regulating device, such as an anti-scald
mixing valve.
Check valves (Figure 55, page 45, Item 4)
1. Assure the flow of water in one direction.
2. Each check valve functions as follows:
a. Prevent bypass in the event of pressure drop.
b. Prevents thermal siphoning of hot water to the cold water
supply.
c. Prevents flow of cold water to the tempered water supply.
A draw of tempered water will not result in flow of cold
water into the return loop.

Table of Contents

Related product manuals