EasyManua.ls Logo

Weil-McLain EcoTec 80 - Page 45

Weil-McLain EcoTec 80
156 pages
Print Icon
To Next Page IconTo Next Page
To Next Page IconTo Next Page
To Previous Page IconTo Previous Page
To Previous Page IconTo Previous Page
Loading...
Part number 550-100-260/0520
45
ECO
®
Tec GAS-FIRED WATER BOILER80/110/150/199 BOILER MANUAL
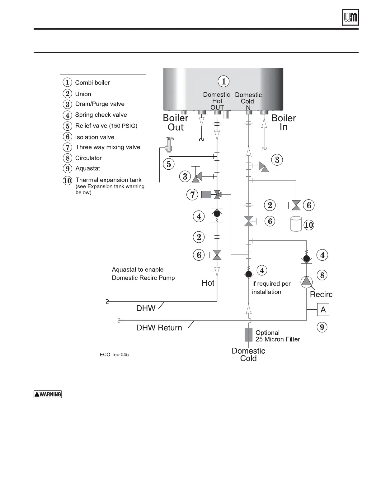
Install boiler water piping (continued)
&IGURE Recirculation piping diagram (if used)
Expansion tank (Figure 55, Item 10)
THERMAL EXPANSION TANK — If a backflow preventer, check
valve, or pressure reducing valve is piped on cold water inlet of water
heater, you must install an expansion tank on cold water supply line
to prevent normal thermal expansion from repeatedly forcing open T&P relief
valve.
The T&P relief valve is not intended for constant duty, such as relief of pressure
due to repeated normal system expansion. Refer to expansion tank manufacturer’s
instructions for proper sizing.
Failure to comply could result in severe personal injury, death or substantial
property damage.

Table of Contents

Related product manuals