EasyManua.ls Logo

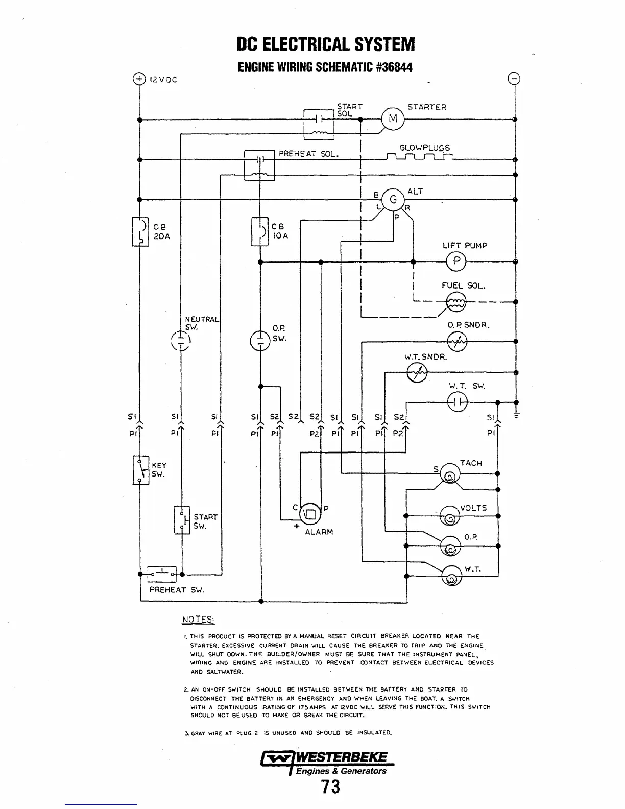
Westerbeke 42B FOUR - Engine Wiring Schematic #36844

Westerbeke 42B FOUR
110 pages
Print Icon
To Next Page IconTo Next Page
To Next Page IconTo Next Page
To Previous Page IconTo Previous Page
To Previous Page IconTo Previous Page
Loading...
SI
+
12
VDC
C8
20A
NEUTRAL
SW'.
DC
ELECTRICAL
SYSTEM
ENGINE
WIRING
SCHEMATIC
#36844
PREHEAT SOL.
C8
lOA
STARTER
GLOWPLU~S
LIFT
PUMP
P
I-----C
I
I I
FUEL
SOL.
I
'L_-g-
__
L
_____
/
O.
P.
SNOR.
(-,
SI
$1
52
52
SI SI
PI
r::l
PI
PI
P2 PI
PI
C
'0
p
+
ALARM
SI
PI
W.T.SNDR.
s
I,J.
T.
SI,J,
TACH
VOLTS
O.P.
W.T.
SI
PI
PREHEAT
SW.
NOTES:
I. THIS
PI=IODUCT
IS PROTECTED
BY
A MANUAL RESET
CIRCUIT
BREAKER LOCATED
NEMI
THE
STARTER. EXCESSIVE
CURRENT
DRAIN WILL CAuSE
THE
SREAKER
TO
TRIP ANO
THE
ENGINE
WILL SHUT DOWN.
THE
BUILOEI=I/OWNEr::I MUST
BE
SURE THAT THE INSTRUMENT PANEL,
WIJ'UNG
AND ENGINE ARE INSTALL..ED
TO
PREVENT OONTACT BETWEEN
ELECTRICAL
DEVICES
AND
SAL..TWATER.
2.
AN
ON'OFF SWITCH SHOULD eE INSTALLED BETWEEN THE BATTERy AND STARTER
TO
DISCONNECT
THE BATTERY IN
AN
EMERGENCY AND WHEN LEAVING
THE
BOAT. A
SWITCH
WITH A CONTINUOUS RATING
OF
175AMPS
AT
12VDC
WILL seRVE THIS FUNCTION.
THIS
SWITCH
SHOULD
NOT
BEUSEO
TO
MAKE
OR
BREAK
THE CIRCUIT.
~.
GRAY
WIRE
AT
PLUG
2
IS
UNUSED
AND
Sl-40ULD 8E .MSULATED.
Engines & Generators
73

Table of Contents

Related product manuals