EasyManua.ls Logo

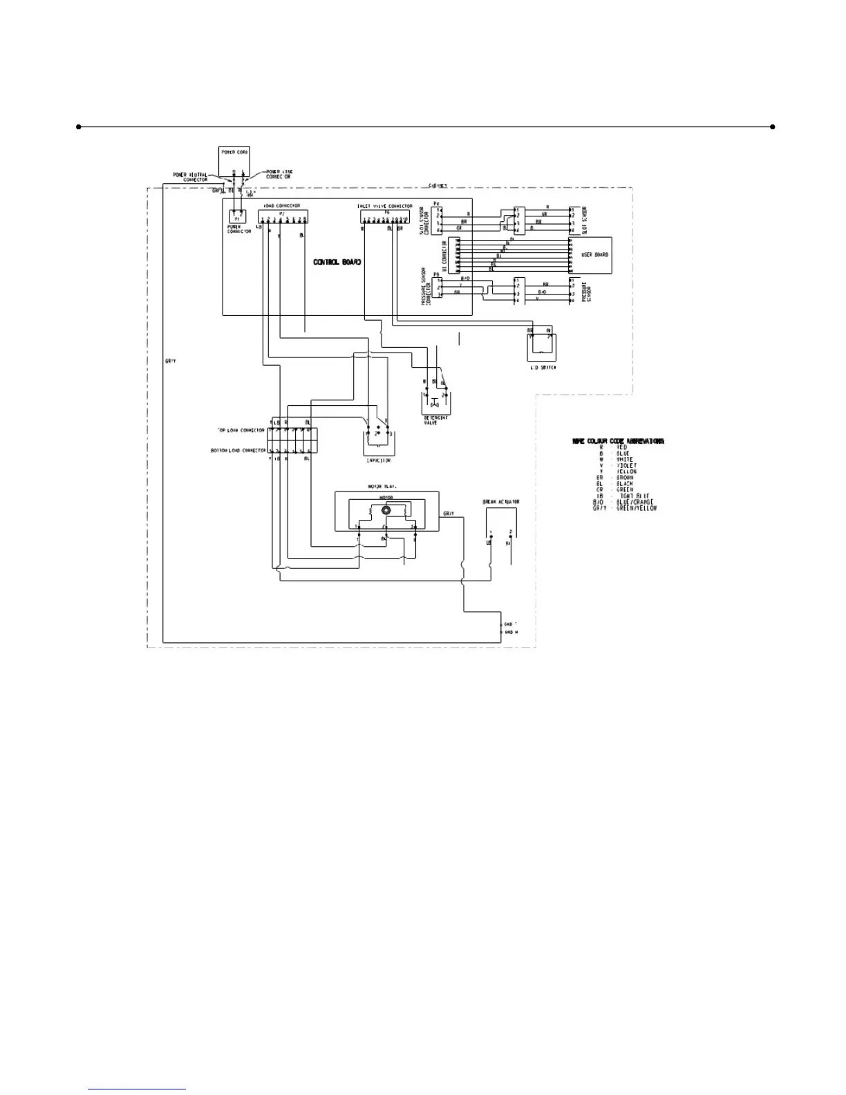
Whirlpool LSA 1300 - Wiring Diagram

Whirlpool LSA 1300
32 pages
Print Icon
To Previous Page IconTo Previous Page
To Previous Page IconTo Previous Page
Loading...
SERVICE MANUAL
Page | 32
WIRING DIAGRAM

Related product manuals