EasyManua.ls Logo

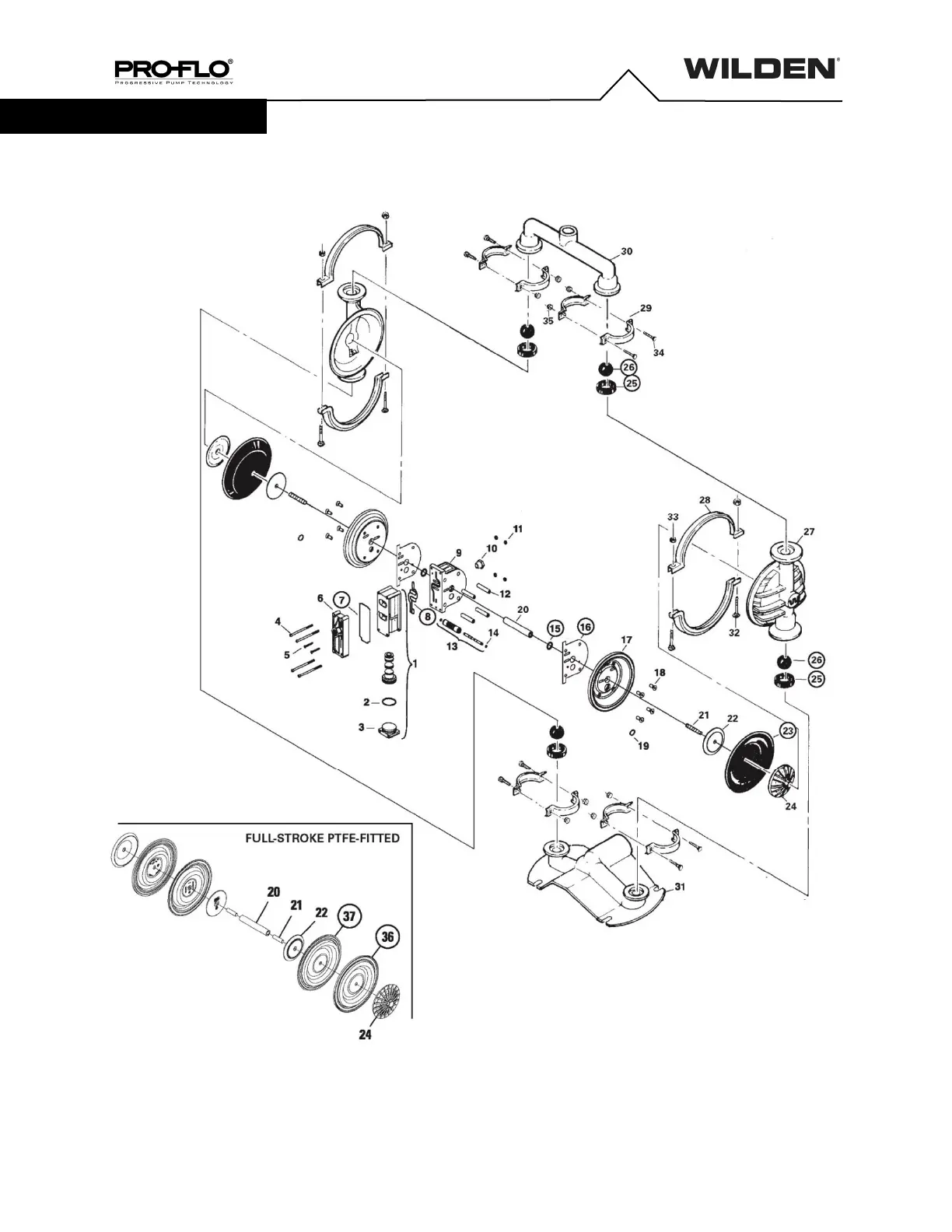
Wilden P4 - EXPLODED VIEW AND PARTS LIST; P4 METAL FULL-STROKE DIAPHRAGM-FITTED

Wilden P4
32 pages
Print Icon
To Next Page IconTo Next Page
To Next Page IconTo Next Page
To Previous Page IconTo Previous Page
To Previous Page IconTo Previous Page
Loading...
WIL-10183-E-04 23
P4 Clamped Metal
SECTION 8
P4 METAL FULL-STROKE DIAPHRAGM-FITTED
ALL CIRCLED PART IDENTIFIERS ARE INCLUDED IN REPAIR KITS
EXPLODED VIEW AND PARTS LIST

Other manuals for Wilden P4

Related product manuals