EasyManua.ls Logo

Winpower DE20I4 - Page 19

Winpower DE20I4
28 pages
Print Icon
To Next Page IconTo Next Page
To Next Page IconTo Next Page
To Previous Page IconTo Previous Page
To Previous Page IconTo Previous Page
Loading...
4094-00
60708-162
17
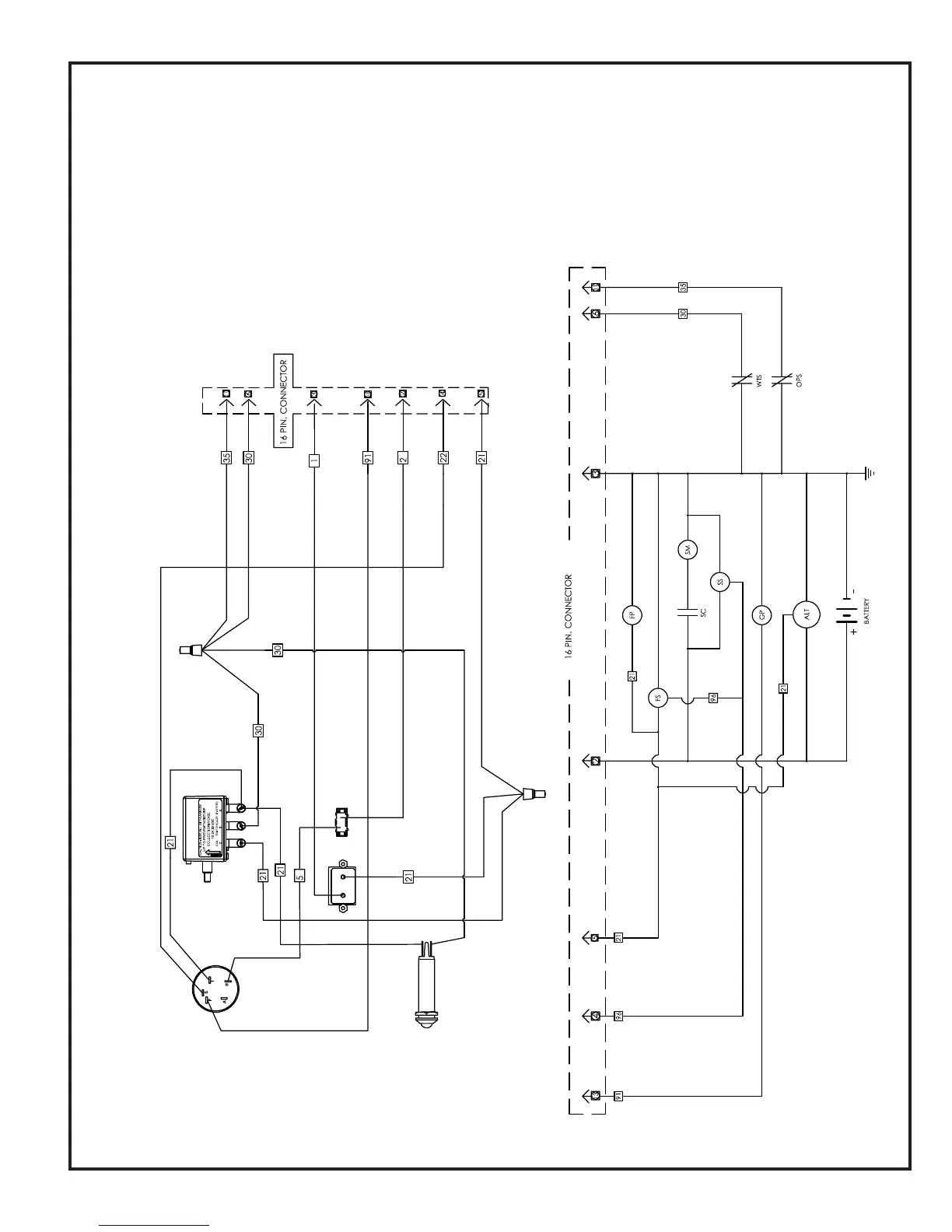
START
CONTROL
PANEL
ENGINE
WIRING
HARNESS
DE20 & DE30 KEY START SCHMATIC