EasyManua.ls Logo

Wolf CT15E/S - Page 46

Wolf CT15E/S
58 pages
Print Icon
To Next Page IconTo Next Page
To Next Page IconTo Next Page
To Previous Page IconTo Previous Page
To Previous Page IconTo Previous Page
Loading...
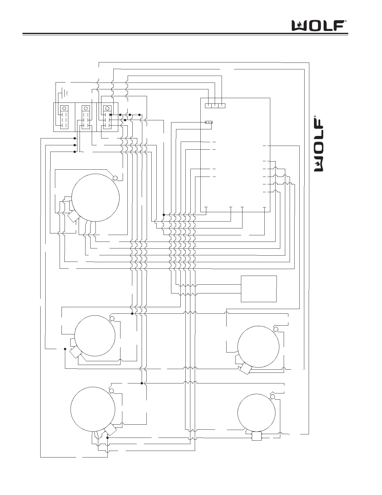
Wiring Diagrams
EElleeccttrriicc CCooookkttooppss
7-4
2700W
2200W
1050W
1800W
1500W
2200W
700W
1200W
E10
E11
E9
E8
E1
E19
6
WHITE
PURPLE
E11
WHITE
RED
BLK
BLK
RED
RED
BLK
5
WHITE
PURPLE
BLK
E12
WHITE
RED
E10
RED
BLK
4
PURPLE
3
PURPLE
E9
RED
E8
BLUE
BLK
BLK
E15
BROWN
E16
WHITE
BLUE
E13
WHITE
RED
20
PURPLE
BLK
RED
BLK
RED
BLK
E14
RED
E17
BLUE
3
PURPLE
L2
6
WHITE
PURPLE
5
WHITE
PURPLE
RED
RED
BLK
GRN
GRN
BLK
E18
BLK
E19
BLK
4
PURPLE
BLK
RED
BLK
FAN
BLK
BLK
RED
802904 REV A
E18
E2
E16
E17
E14
E13
E15
E12
L1
E1
RED
E2
RED
36" Electric Cooktop

Table of Contents

Other manuals for Wolf CT15E/S

Related product manuals