EasyManua.ls Logo

Wolf CWL-300 - Proportional Input 1 Wiring; Proportional Input 2 Wiring

Wolf CWL-300
20 pages
Print Icon
To Next Page IconTo Next Page
To Next Page IconTo Next Page
To Previous Page IconTo Previous Page
To Previous Page IconTo Previous Page
Loading...
Heat Recovery unit CWL-300(B) / CWL-400(B) with option PCB 15
Electric diagrams Chapter 6
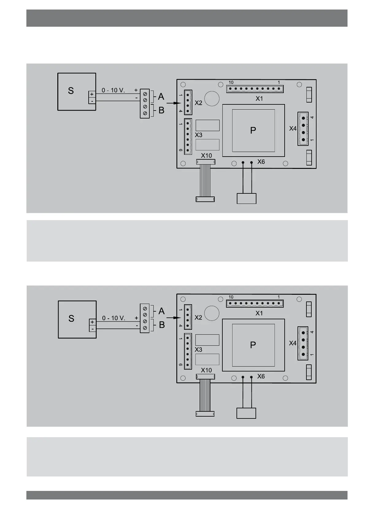
6.3 Wiring diagram proportional input 1
A = Connection proportional input 1 (e.g. moisture sensor)
B = Connection proportional input 2
P = Option pcb
& &RQWURO±9IURPRZQSRZHU
E2088-0
A = Connection proportional input 1
B = Connection proportional input 2 (e.g. CO
2
sensor)
P = Option pcb
& &RQWURO±9IURPRZQSRZHU
E2089-0
6.4 Wiring diagram proportional input 2

Related product manuals