EasyManua.ls Logo

Wolf CWL-300 - Postheater Wiring Diagram; Preheater Wiring Diagram

Wolf CWL-300
20 pages
Print Icon
To Next Page IconTo Next Page
To Next Page IconTo Next Page
To Previous Page IconTo Previous Page
To Previous Page IconTo Previous Page
Loading...
16 Heat Recovery unit CWL-300(B) / CWL-400(B) with option PCB
Chapter 6 Electric diagrams
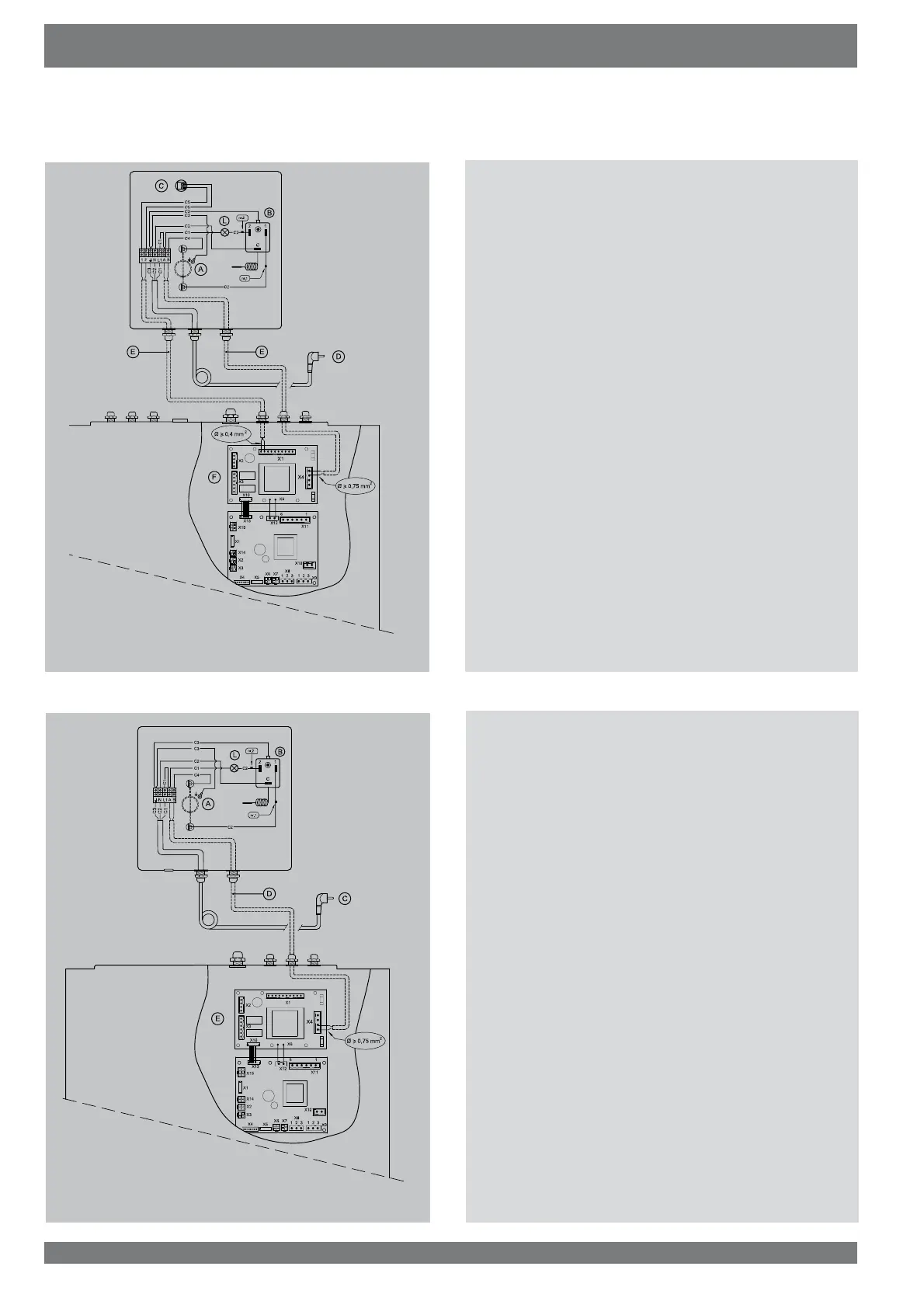
6.5 Wiring diagram postheater
A = Heating coil (max. 1000 W)
B = Maximum safety
C = Temperature sensor
' 3OXJ9
E = Cables to be connected by installer
F = Option pcb
L = LED maximum safety switched on
C1 = Brown
C2 = Blue
C3 = Green/yellow
C4 = Black
C5 = Yellow
The postheater sensor is connected to the X1 connectors no.
9 and no. 10 of the option pcb.
7KHSRVWKHDWHUFRQWUROVLJQDO9LVFRQQHFWHGWRWKH;
connectors no. 3 and no. 4 of the option pcb.
E2085-A
A = Heating coil (max. 1000 W)
B = Maximum safety
& 3OXJ9
D = Cable to be connected by installer
E = Option pcb
L = LED Maximum safety operational
C1 = Brown
C2 = Blue
C3 = Green/yellow
C4 = Black
7KHSUHKHDWHUFRQWUROVLJQDO9LVFRQQHFWHGWRWKH;
connectors no. 1 and no. 2 of the option pcb.
E2087-A
6.6 Wiring diagram preheater

Related product manuals