EasyManua.ls Logo

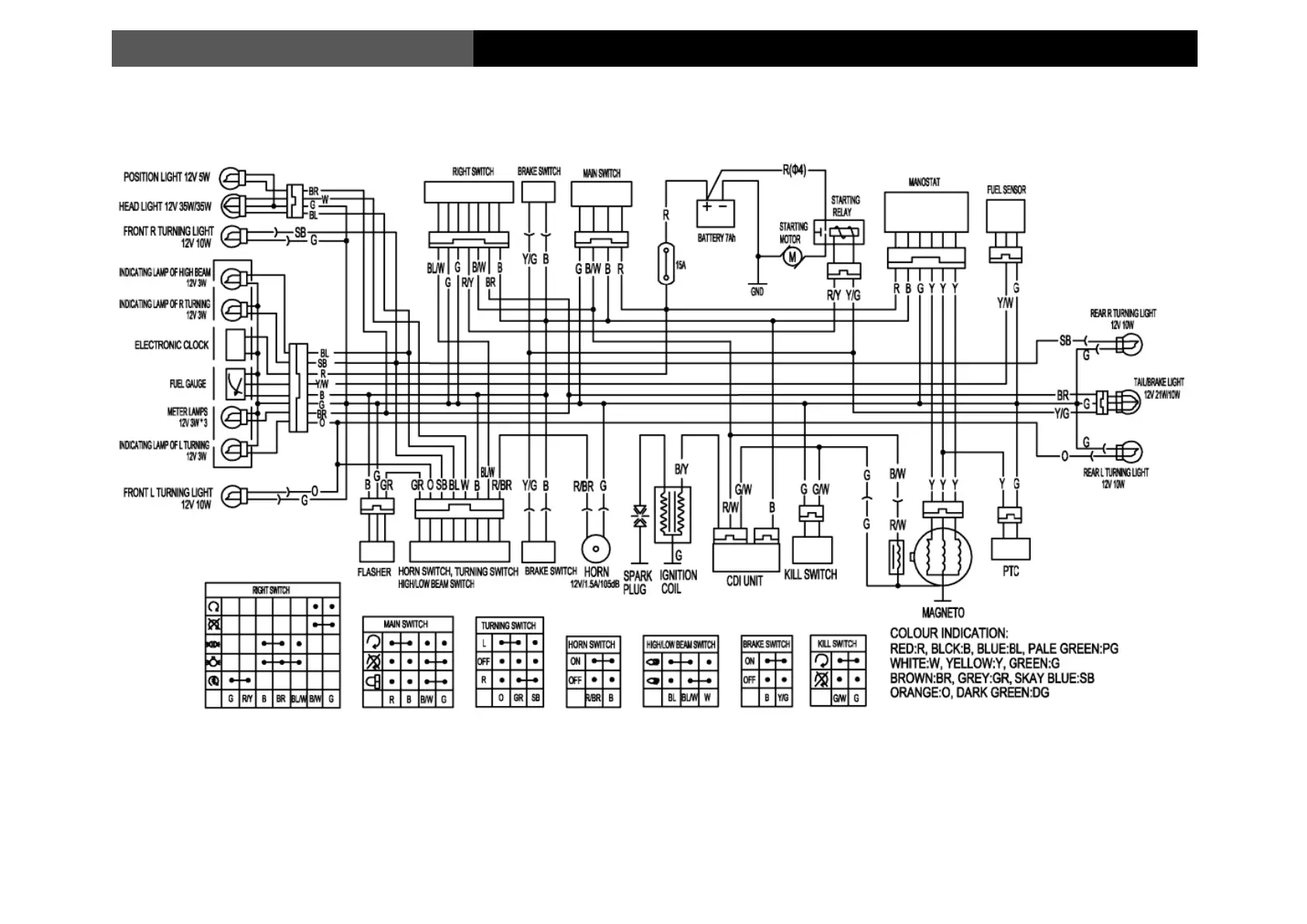
Wolf ISLANDER - Schematic Wiring Diagram; Electrical System Overview

Wolf ISLANDER
50 pages
Print Icon
To Next Page IconTo Next Page
To Next Page IconTo Next Page
To Previous Page IconTo Previous Page
To Previous Page IconTo Previous Page
Loading...
47
USERS MANUAL
Common Faults and Troubleshooting

Table of Contents

Related product manuals