EasyManua.ls Logo

Xerox OLYMPIA ELECTRONIC COMPACT - Page 94

Xerox OLYMPIA ELECTRONIC COMPACT
96 pages
Print Icon
To Next Page IconTo Next Page
To Next Page IconTo Next Page
To Previous Page IconTo Previous Page
To Previous Page IconTo Previous Page
Loading...
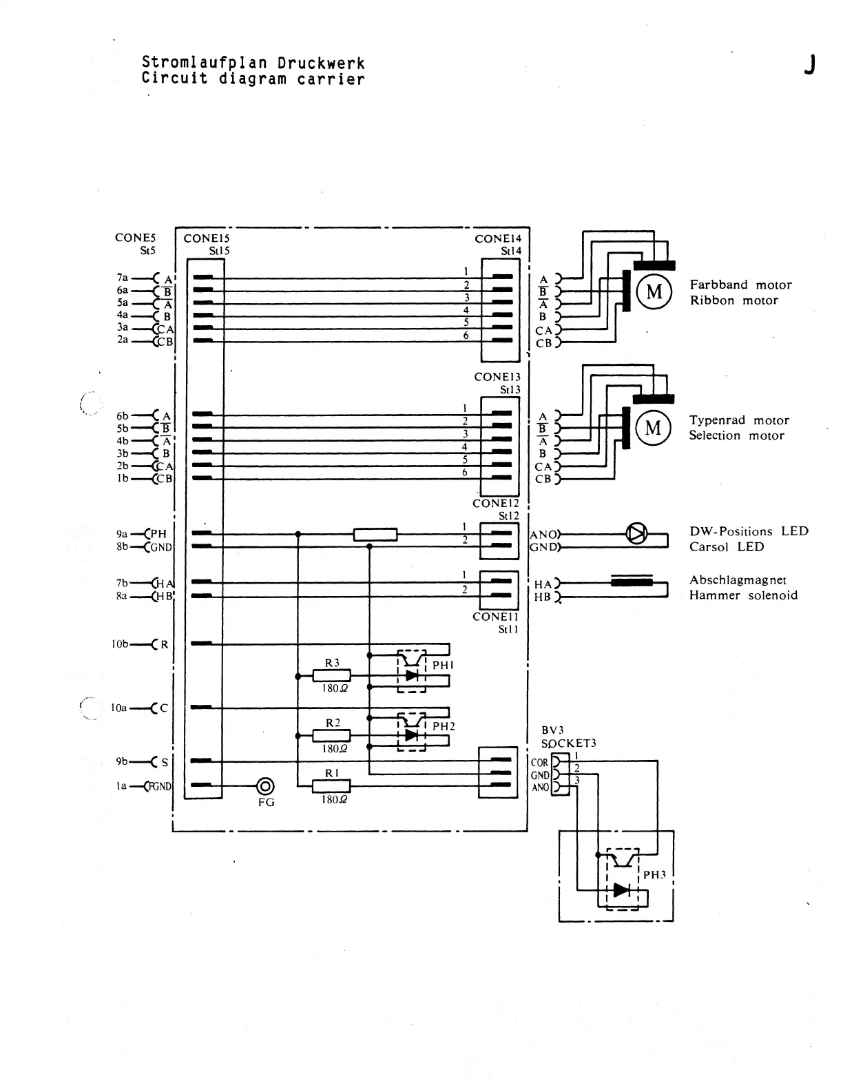
Stromlaufplan
Druckwerk
Circuit
diagram
carrier
Ioa--<c
BV3
'co!OCKIET3
9b--<
s
la-{FGND
RI
180.Q
GND
2
1---------
ANO
3
-+----
J