EasyManua.ls Logo

Yamaha DVR-C310 - Block Diagram

Yamaha DVR-C310
40 pages
Print Icon
To Next Page IconTo Next Page
To Next Page IconTo Next Page
To Previous Page IconTo Previous Page
To Previous Page IconTo Previous Page
Loading...
12345678
A
B
C
D
E
F
12
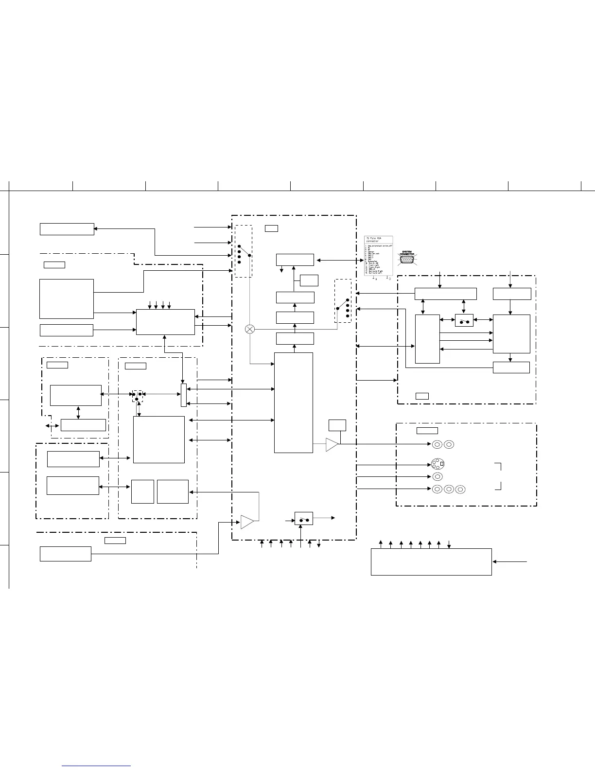
DVR-C310
BLOCK DIAGRAM
Power Supply Unit
Front Microprocessor,
FTD, IR (RC6)
Control Keys
Control Keys,
Rotary Vol. Encoder,
Portable Jack Input
iPod Dock Connector
Microprocessor
UART
XM/DT IC
UART
SW
ERR_IRQ
CMD_SEL
RST
192kHz DAC
CS4351
XM_Audio L/R
To MPEG Host
UART
iPod Detect
iPod_Audio L/R
SD5.5
Changer/Loader
Controller
Traverse Unit
DVD 5-DISC CHANGER
MODULE
HDMI
MT1392
I
2
C_DAC
Tuner Module
Portable Jack Input L/R
Y/C
CVBS
YPbPr
Digital In (Coaxial)
Mute
Circuit
Invertin
g
Buffer
Am
p
.
Vol. IC PT2258
Differential
Am
p
. 6-ch
Audio Codec
CS42418
Line Out L/R
TV IN L/R
SPDIF
Receiver
-->I2S
CS8416A
I
2
S
Motor
Driver
AM5888S
I
2
C_DAC
Tuner control
Supply
+5V_XM
+3V3
+12VA
I
2
C_DAC
Host_IRQ
MT1389B
-12V
5V_STB
Y
-24V
+12V
5V_STB
Y
-24V
+12V
+5V_DVD
MUX-1
Pbox_Ctrl
Pbox_Ct
AC IN
Sel_A0, A1, B0
Mute
Circuit
MUX-2
CVBS,
YPbPr,
Y/C
-12V
5V_STB
Y
+12V
+5V_XM
+5V_XM
+5V_DVD
SW
iPOD_Ctrl
AUX IN L/R
B01, B03, VOL_A/B
B02
STBY_CTRL
STBY_CTRL
PF(PWR_DN)
+5V_DVD
PF(PWR_DN)
iPod_Ctrl
+5V_iPod
15P D-SUB
Connector
SYSTEM
CONNECTOR
7113
7200
7600
7308
7112
7111 7304
1304
1104
1102
7203
7201
7106
7108
DOCK
XM
XM Connector
LINE OUT L/R
S VIDEO
VIDEO
VIDEO OUT
Y/P
R/PB
1102
7101
HDMI
HDMI Connector
7300
+5V_iPod
SPDIF
7105
1300
1
5
10
15
11
6
XM
See page 36, 37 SCHEMATIC DIAGRAM
AV
See page 2530 SCHEMATIC DIAGRAM
FRONT
See page 3133 SCHEMATIC DIAGRAM
MONO
See page 2324
SCHEMATIC DIAGRAM
HDMI
See page 35
SCHEMATIC DIAGRAM
FRONT
See page 34 SCHEMATIC DIAGRAM
FRONT
See page 34 SCHEMATIC DIAGRAM

Related product manuals