EasyManua.ls Logo

Yamaha M3000A - STEREO B Section

Yamaha M3000A
47 pages
Print Icon
To Next Page IconTo Next Page
To Next Page IconTo Next Page
To Previous Page IconTo Previous Page
To Previous Page IconTo Previous Page
Loading...
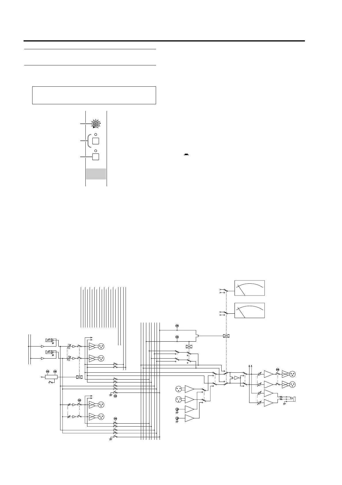
Control panel
18
STEREO B section
This section controls the signal which is output from
the rear panel ST OUT B jacks (page 27)
A LEVEL control
This controls the output level of the signal which is
sent from the ST OUT B jacks. It does not affect the
signal which is output from the ST OUT A jacks.
When the control is in the position the level is
nominal (0 dB).
B ON switch
This is an on/off switch for the signal which is output
from the ST OUT B jacks. It does not affect the signal
which is output from the ST OUT A jacks. When this
switch is turned off, the indicator will go dark, and no
signal will be output from the ST OUT B jacks. How-
ever even in this case, the signal sourced before pass-
ing through the LEVEL control can be monitored
from the MONITOR OUT jacks or the PHONES jack
by turning on the AFL switch (3).
C AFL switch
This switch allows the signal which is sent from the ST
OUT B jacks to be monitored from the MONITOR
OUT jacks or PHONES jack. When this switch is on
( ), the indicator will light, and the signal before
passing through the LEVEL control will be sent to the
MAS PFL bus and the signal after passing through the
LEVEL control will be sent to the MAS AFL bus, and
can be monitored from the MONITOR OUT jacks or
the PHONES jack.
If the master section MASTER PFL switch (page 19) is
off, the MAS AFL bus signal can be monitored. If this
switch is on, the MAS PFL bus signal will be moni-
tored. However if even one of the input channel PFL
switches are on, the PFL bus signal will take priority
for monitoring, and ST OUT B cannot be monitored.
Note: This section is not affected by the on/off
switching of scene memory.
STEREO B
ON
AFL
LEVEL
100
A
C
B
(SUB)(ST)
to Meter
ON
ON/EDIT
CHECK ON
CONTROL
ON
from
STEREO B R
CUE R
STEREO B L
CUE L
from
to Meter
to Meter
INPUT
MASTER
ON
L+R
ON
BA
BA
BA
BA
Phon
e
PHONES
2TR IN
2
1
1/2
BA
BA
BA
BA
L
R
L
R
MASTER PFL
LEVEL
L
R
MON
I
OUT
AFL
TO MATRIX
AFL
PFL
LRON
MAS
AFL
MAS
LR
PFL
(MIX)
TO MATRIX
LEVEL
ST OUT B
L
R
ST
INSERT
I/O L
ST
INSERT
I/O R
R
L
ST OUT A
ST
RL
LR
STEREO B/CUE L
STEREO B/CUE R
1357
2468
9 111315
10 12 14 16
LR
LR
AFL