EasyManua.ls Logo

Yamaha M3000A - Phones Jack

Yamaha M3000A
47 pages
Print Icon
To Next Page IconTo Next Page
To Next Page IconTo Next Page
To Previous Page IconTo Previous Page
To Previous Page IconTo Previous Page
Loading...
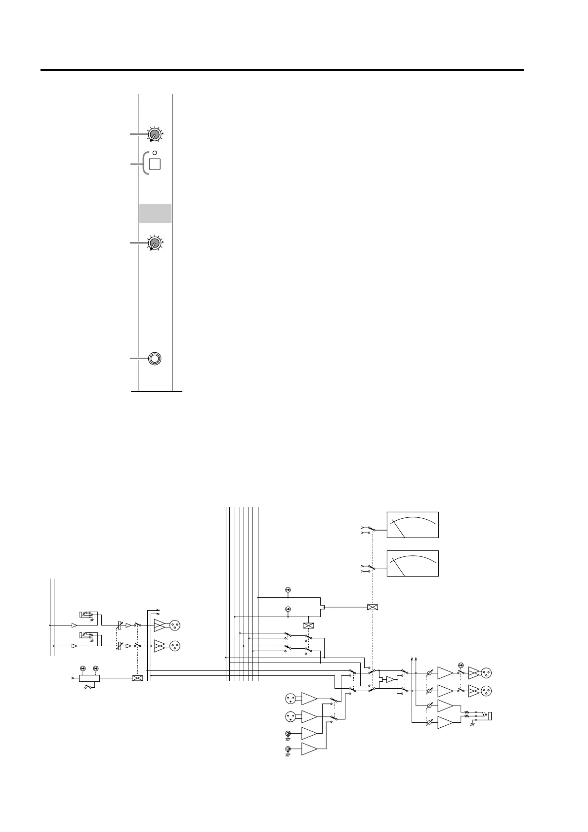
Control panel
20
G LEVEL control
This control adjusts the level of the signal which is
output from the MONITOR OUT jacks. It does not
affect the PHONES jack.
H ON switch
This is an on/off switch for the signal which is output
from the MONITOR OUT jacks. When this is on, the
indicator located above the switch will light. This
switch does not affect the PHONES jack.
I PHONES (headphone) control
This control adjusts the level of the signal which is
output from the PHONES jack. It does not affect the
MONITOR OUT jacks.
J PHONES jack
A set of headphones can be connected to this jack for
monitoring.
PHONES
MONITOR
ON
100
LEVEL
100
G
I
J
H
to Meter
ON
ON/EDIT
CHECK ON
CONTROL
ON
from
STEREO B R
CUE R
STEREO B L
CUE L
from
to Meter
INPUT
MASTER
L+R
ON
BA
BA
BA
BA
Phones
PHONES
2TR IN
2
1
1/2
BA
BA
BA
BA
L
R
L
R
MASTER PFL
LEVEL
L
R
MONITOR
OUT
AFL
PFL
LRON
MAS
AFL
MAS
LR
PFL
ST
INSERT
I/O L
ST
INSERT
I/O R
R
L
ST OUT A
ST
RL
LR
STEREO B/CUE L
STEREO B/CUE R