EasyManua.ls Logo

Yamaha XVS650A - WIRING DIAGRAM; Wiring Diagram Color Code; Wiring Diagram Component List

Yamaha XVS650A
41 pages
Print Icon
To Previous Page IconTo Previous Page
To Previous Page IconTo Previous Page
Loading...
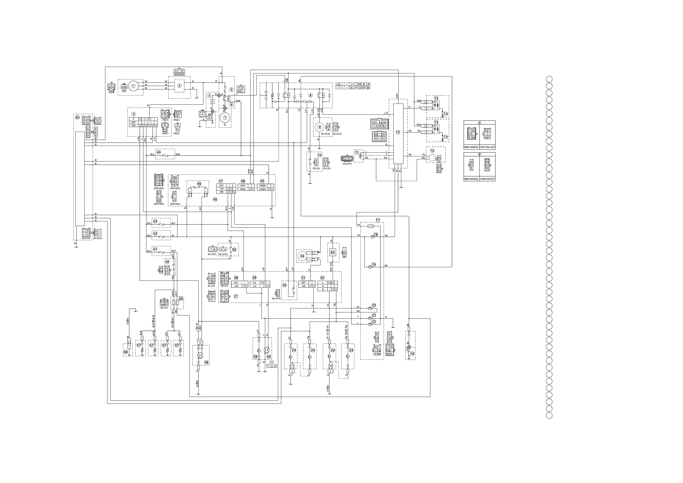
COLOR CODE
B Black. . . . .
Br Brown. . . .
Ch Chocolate. . .
Dg Dark green. . .
G Green. . . .
Gy Gray. . .
1 A.C. magneto
2 Rectifier/regulator
3 Main switch
4 Battery
5 Main fuse
6 Starter relay
7 Starter motor
8 Relay unit
9 Fuel pump
10 Sidestand switch
11 Throttle position sensor (TPS)
12 Ignitor unit
13 Ignition coil
14 Spark plug
15 Pickup coil
16 Neutral switch
17 Meter assembly
18 Engine indicator light
19 Neutral indicator light
20 Turn indicator light
21 High beam indicator light
22 Meter light
23 Rear turn signal
24 Front turn signal
25 Headlight
26 Auxiliary light
27 Left handlebar switch
28 Pass switch
29 Dimmer switch
30 Clutch switch
31 Horn switch
32 Turn switch
33 Flasher relay
34 Horn
35 Rear brake switch
36 Tail/brake light
37 Carburetor heater
38 Carburetor heater earth
39 Carburetor heater relay
40 Thermo switch
41 Carburetor heater fuse
42 Signal system fuse
43 Headlight fuse
44 Ignition fuse
45 Right handlebar switch
46 Front brake switch
47 Lights switch
48 Engine stop switch
49 Start switch
50 Alarm system (Option)
L Blue. . . . .
Lg Light green. . . .
O Orange. . . .
P Pink. . . . .
R Red. . . . .
Sb Sky blue. . . .
W White. . . .
Y Yellow. . . . .
B/L Black/Blue. . .
B/W Black/White. .
B/Y Black/Yellow. . .
Br/B Brown/Black. .
Br/L Brown/Blue. .
Br/W Brown/White.
Br/Y Brown/Yellow. .
G/Y Green/Yellow. .
L/B Blue/Black. . .
L/R Blue/Red. . .
L/W Blue/White. .
L/Y Blue/Yellow. . .
R/B Red/Black. . .
R/W Red/White. .
R/Y Red/Yellow. . .
XVS650A 2001 WIRING DIAGRAM

Other manuals for Yamaha XVS650A

Related product manuals