EasyManua.ls Logo

Yamaha YB50 - LIGHTING SYSTEM

Yamaha YB50
161 pages
Print Icon
To Next Page IconTo Next Page
To Next Page IconTo Next Page
To Previous Page IconTo Previous Page
To Previous Page IconTo Previous Page
Loading...
ELEC
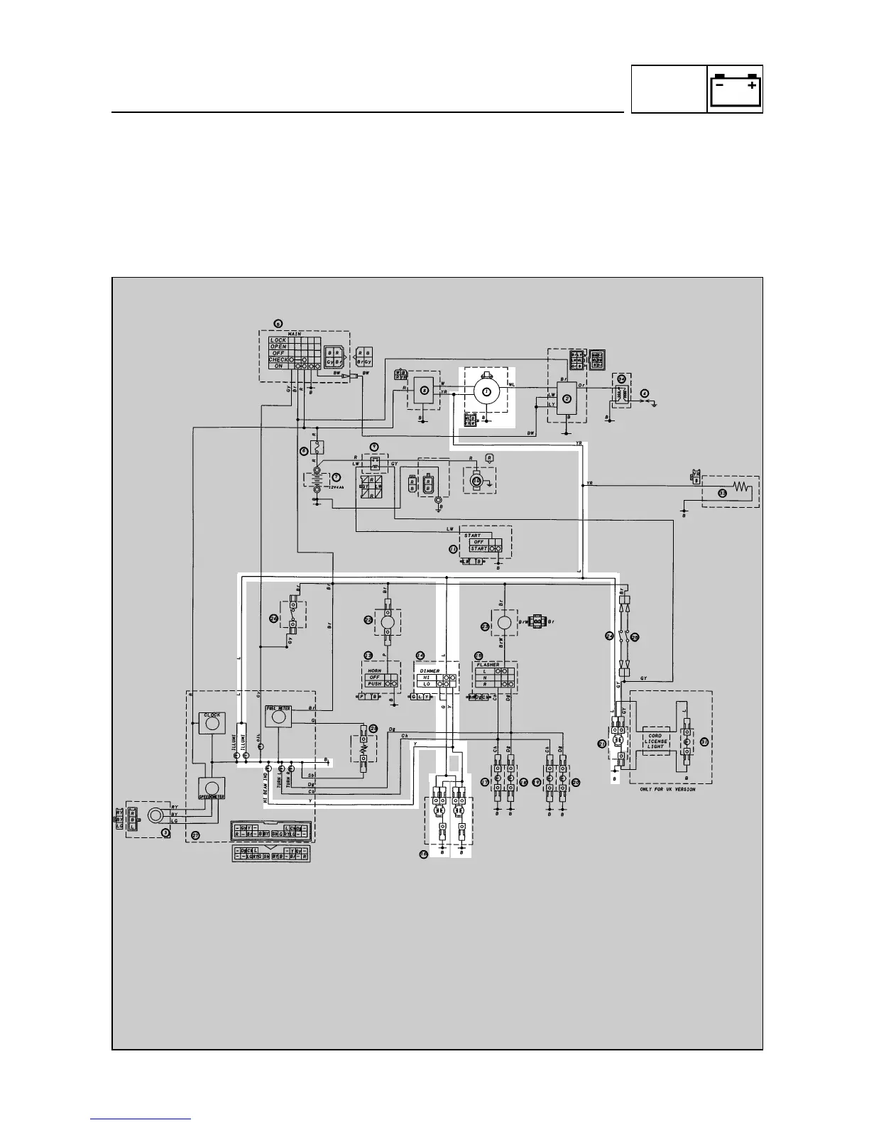
LIGHTING SYSTEM
7-13
LIGHTING SYSTEM
CIRCUIT DIAGRAM
Flywheel
14 Light dinmer switch
16 Headlamp
21 Brake and rear light
27 Meter light

Table of Contents

Related product manuals