EasyManua.ls Logo

YASKAWA CIMR-VU series - Page 45

YASKAWA CIMR-VU series
427 pages
Print Icon
To Next Page IconTo Next Page
To Next Page IconTo Next Page
To Previous Page IconTo Previous Page
To Previous Page IconTo Previous Page
Loading...
































 





































 














































































































  
 
 
 
 
 
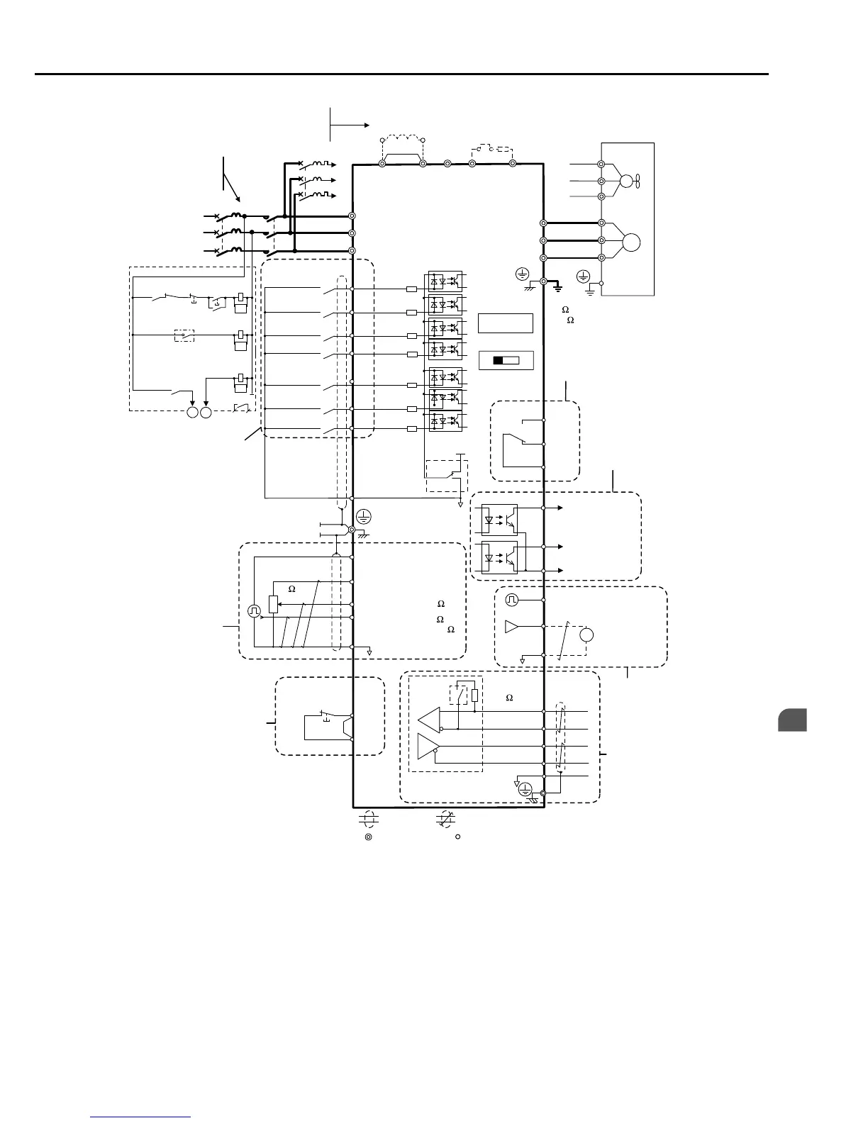
 5HIHUWR
,2&RQQHFWLRQVRQSDJH
 

 
<$6.$:$(/(&75,&6,(3&$<$6.$:$$&'ULYH±97HFKQLFDO0DQXDO


WM-Yaskawa AC Drive-V1000
Rev.0
WM-Yaskawa AC Drive-V1000
Printed on 9/20/13
Page 45 of 427

Related product manuals