EasyManua.ls Logo

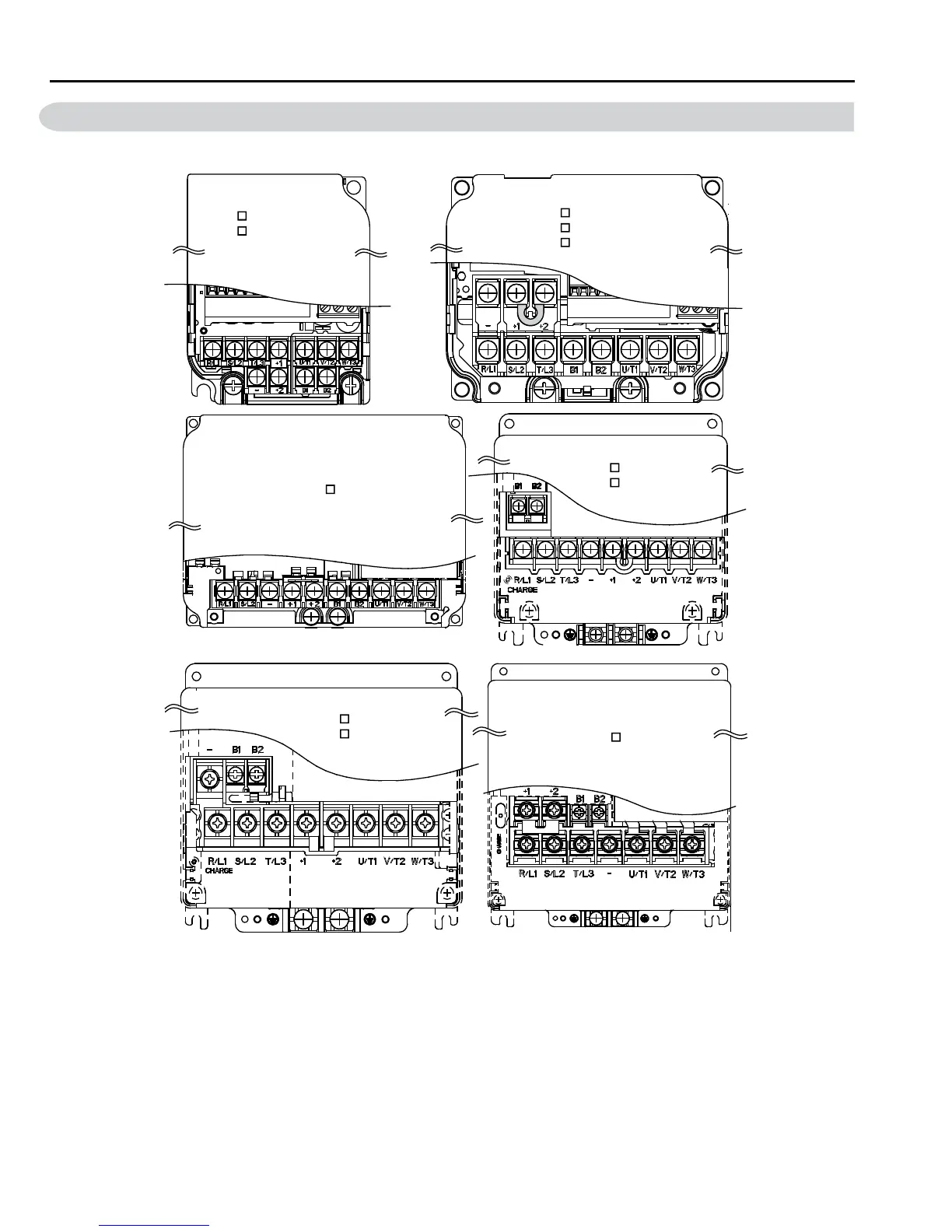
YASKAWA CIMR-VU series - Terminal Block Configuration

YASKAWA CIMR-VU series
427 pages
Print Icon
To Next Page IconTo Next Page
To Next Page IconTo Next Page
To Previous Page IconTo Previous Page
To Previous Page IconTo Previous Page
Loading...
 

 





























 
 

<$6.$:$(/(&75,&6,(3&$<$6.$:$$&'ULYH±97HFKQLFDO0DQXDO
WM-Yaskawa AC Drive-V1000
Rev.0
WM-Yaskawa AC Drive-V1000
Printed on 9/20/13
Page 48 of 427

Related product manuals