EasyManua.ls Logo

YASKAWA motoman NX100

YASKAWA motoman NX100
405 pages
To Next Page IconTo Next Page
To Next Page IconTo Next Page
To Previous Page IconTo Previous Page
To Previous Page IconTo Previous Page
Loading...
7.3 CPU Unit
7-26
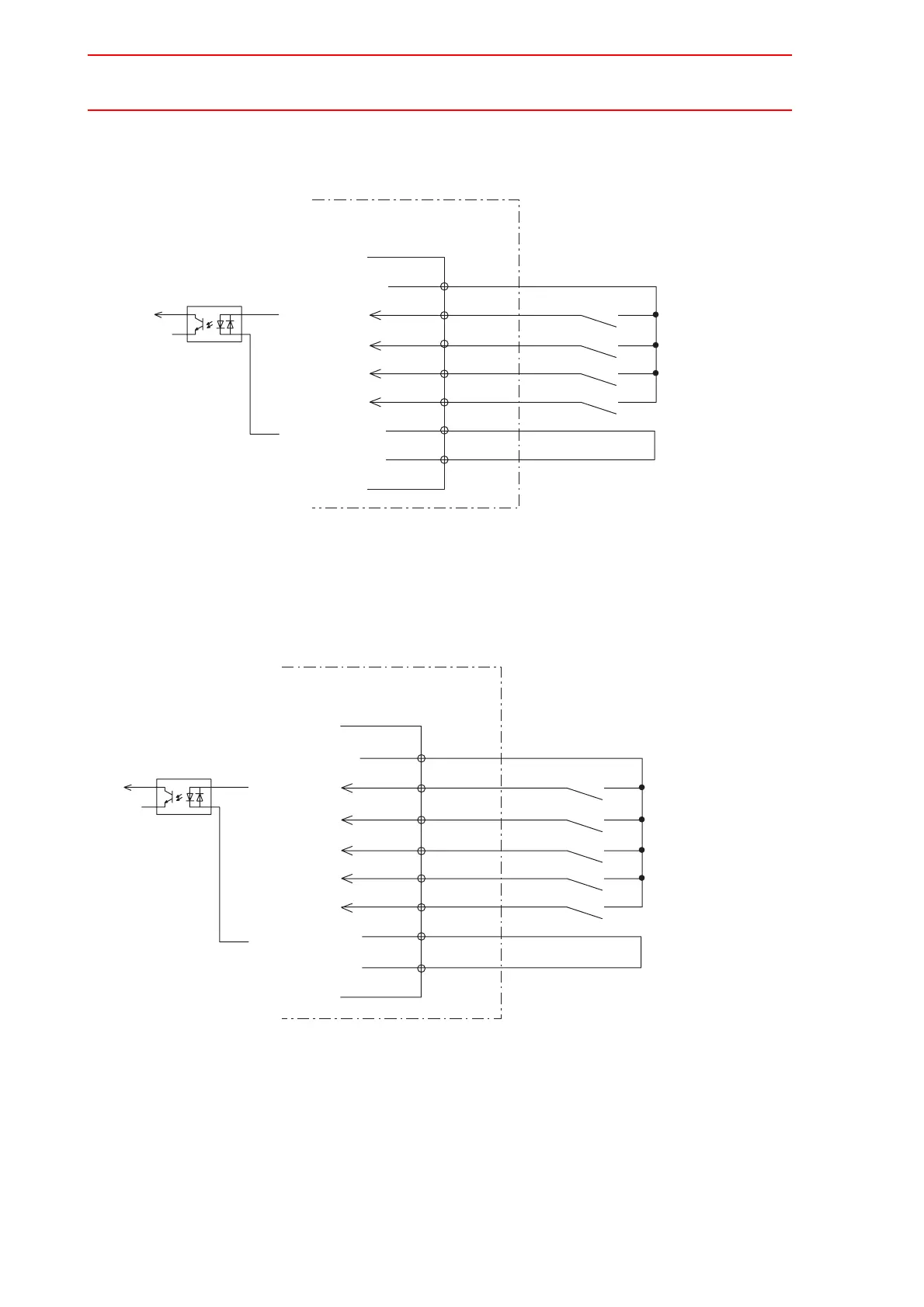
" Direct-in 1 to 4 (Option)
Connection for Direct-in 1 to 4
" Direct-in (Servo) 1 to 5
This signal is used to input a responsive signal in search functions.
Connection for Direct-in (Servo)
CPDIN1
024V
-8
-1
-2
-3
-4
-5
-7
Robot!system!input!terminal!block
MXT
NX100
CPDIN2
CPDIN3
CPDIN4
CPDINCOM
+24V2
Direct-in!1
Direct-in!2
Direct-in!3
Direct-in!4
024V
Robot!system!input!terminal!block
MXT
NX100
+24V2
Direct-in!(Servo)!1
Direct-in!(Servo)!2
Direct-in!(Servo)!3
Direct-in!(Servo)!4
Direct-in!(Servo)!5
AXDIN1
AXDIN2
AXDIN3
AXDIN4
AXDIN5
AXDINCOM
-50
-43
-44
-45
-46
-47
-48
-49

Other manuals for YASKAWA motoman NX100

Related product manuals