EasyManua.ls Logo

YASKAWA YASNAC J50

YASKAWA YASNAC J50
180 pages
To Next Page IconTo Next Page
To Next Page IconTo Next Page
To Previous Page IconTo Previous Page
To Previous Page IconTo Previous Page
Loading...
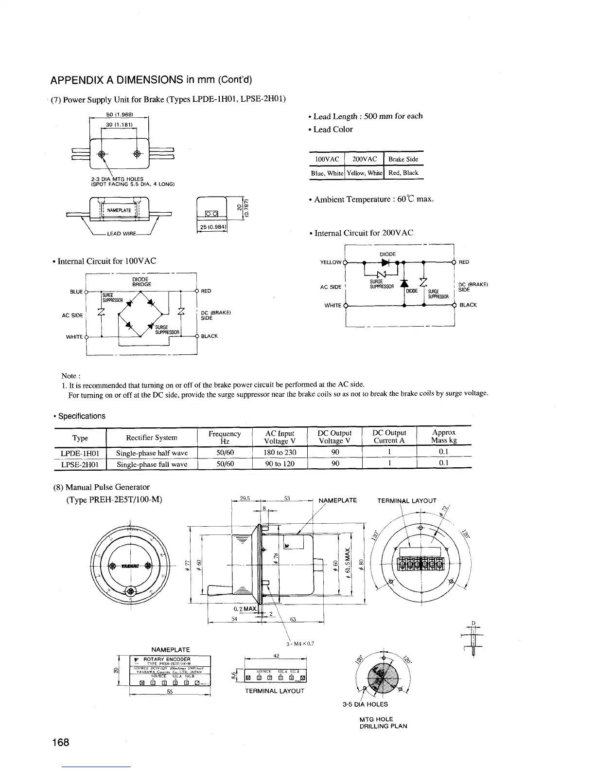
APPENDIX A DIMENSIONS in mm (Cent’d)
(7)
Power Supply Unit for Brake (Types LPDE-lHO1, LPSE-2H01)
5011.969)
e
30
(1.181)
2-3 DIA MTG HOLES
(SPOT FACING 5.5 DIA, 4 LONGI
. Lead Length : 500 mm for each
Lead Color
+?+ [--,
Internal Circuit for 100VAC
DIOOE -
BRIOGE
BLUE(>
i ) REO
AC SIOE 1
:~JBRAKE)
WHITE (>
T
BLACK
Note :
1.It is recommendedthat turning on or off of the brake power circuit be performed at the AC side.
For turning on or off at the DC side, provide the surge suppressornear the brake coils so as not to break the brakecoils by surge voltage.
Specifications
Type
Rectifier System
Frequency
AC Input DC Output
DC Output
Approx
Hz
Voltage V
Voltage V
CumentA
Mass kg
LPDE-1HO1
Single-phase half wave
50/60
180to 230
90
1
0.1
LPSE-2H01
Single-phasefull wave
50/60
90 to 120
90
1 0.1
Ambient Temperature : 60 ~ max.
Internal Circuit for 200VAC
m
DIOOE
YELLOW REO
SURGE
AC SIOE 1
SUFWESSOR
Gi03E
, :~:BRAKEl
SUffiE
SUFRES9R
WHITE
BLACK
L---
-2
(8) Manual Pulse Generator
(Type PREH-2E5T/100-M)
lrFiYVEpLATE
NAMEPLATE
3’- M4 X 0.7
[Fi%%!%3 ~~-
.“,,,.. ..,”,,,, ,,m,%,., ,r”r, k,”,
“A...*Acan,.”,.c.,LT. JAPAN
~d
TERMINAL LAYOUT
TERMINAL LAYOUT
k+?
n
3-5 DiA HOLES
MTG HOLE
DRILLING PLAN

Related product manuals