EasyManua.ls Logo

YASKAWA YASNAC J50

YASKAWA YASNAC J50
180 pages
To Next Page IconTo Next Page
To Next Page IconTo Next Page
To Previous Page IconTo Previous Page
To Previous Page IconTo Previous Page
Loading...
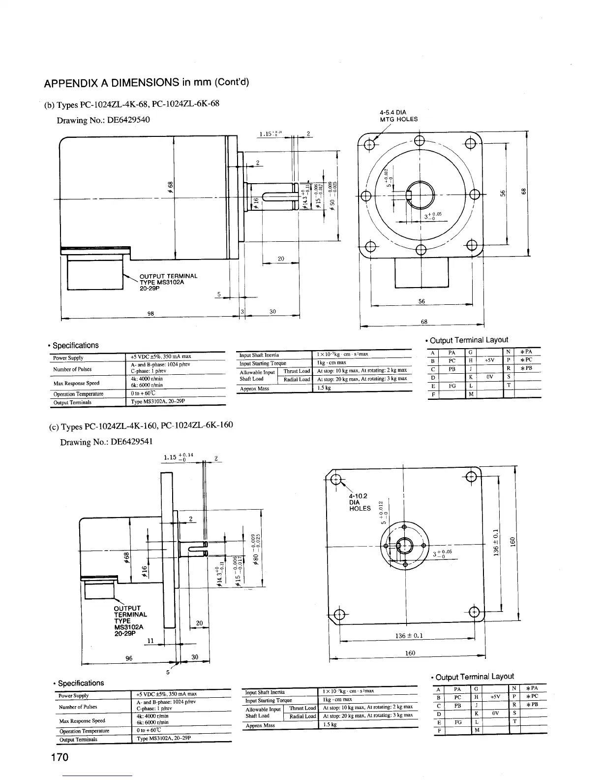
APPENDIX A DIMENSIONS in mm (Cent’d)
(b) Types PC-1024ZL-4K-68, PC-1024ZL-6K-68
Drawing No.: DE6429540
+---
%
u
——
=
5
--J
30
4-5.4 DIA
MTG HOLES
/
1
. output Terminal Layout
. %ecifications
-==
ThrustLoad Atstop 10kgmax.Atrotating2kgmax
Atstop 20kgmax Atrotating:3kgmax
(c) Types PC-1024ZL-4K-16O, PC-1024ZL-6K-16O
Drawing No.: DE6429541
1.15::”4
z
Ill
h-
OUTPUT
;;;~lNAL
MSSI 02A
20-29P
11
5
. Specifications
+5 VDC +5’%,350 mA mm
A. and B-phase 1024 plrev
4-10.2
DIA
HOLES
I
*
160
J
. OutputTerminal Layout
~W
l%mst Load At stop 10 kg max, At rotating 2 kg ma.
Radial Load At stop 20 kg max. At rotating 3 kgma.
170

Related product manuals