EasyManua.ls Logo

YASKAWA YASNAC J50

YASKAWA YASNAC J50
180 pages
To Next Page IconTo Next Page
To Next Page IconTo Next Page
To Previous Page IconTo Previous Page
To Previous Page IconTo Previous Page
Loading...
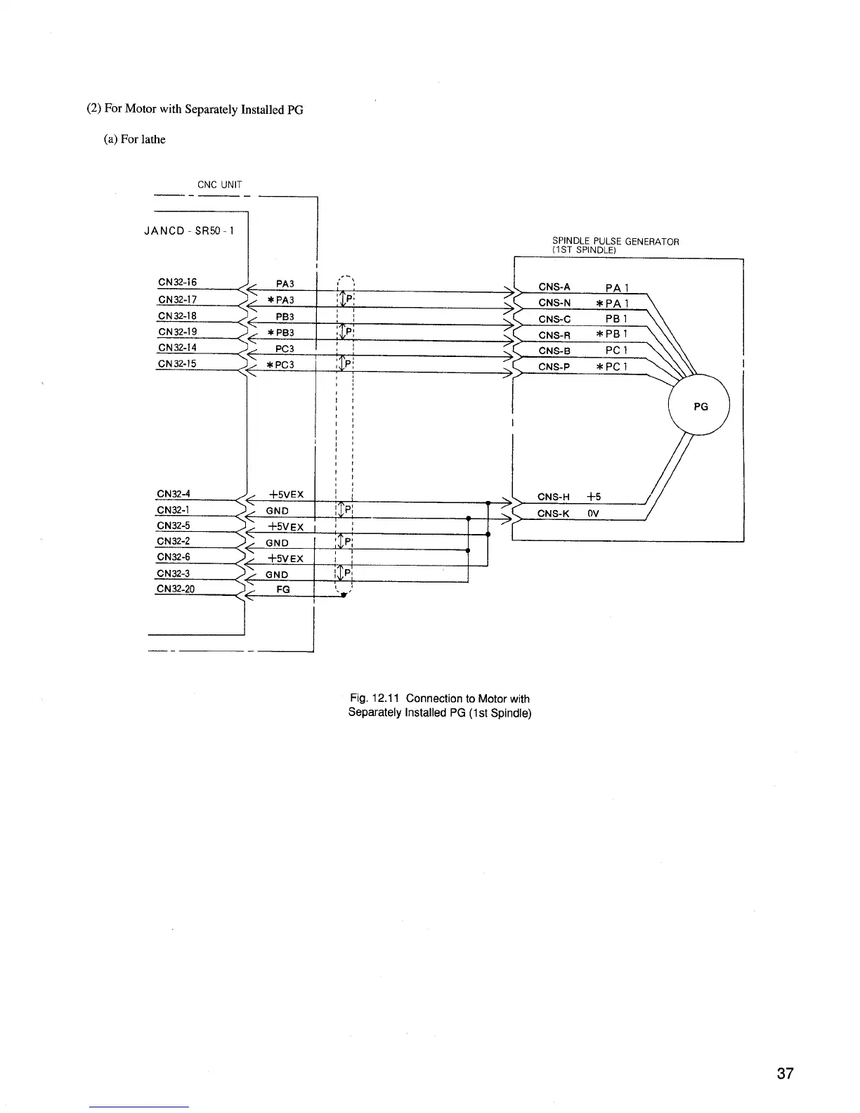
(2) For Motor with Separately Installed PG
(a) For lathe
CNC UNIT
—-_ _
I
I I
JANCD SR50- 1
SPINDLEPULSEGENERATOR
(1ST SPINDLE)
I
I
I
I
CN32-16
)<
,.-
PA3
, ‘,
\
CNS-A
PA 1
CN32-17
/
* PA3
: P;
>>
\
CNS-N
*PA1
CN32-18
I
PB3
:;
/
\
CNS-C
PB 1
CN32-19
/
* PB3
: P:
\
CNS-R
*PB1
CN32-14
>>
PC3
\
CNS-B Pc 1
CN32-15
/
*PC3
; P!
\\
\
CNS-P
*pcl
,
//
,,
II
!$
,;
1,
1,
;,
,4
1!
,!
1;
3 ‘;
,1
CN32-4
+5vEX
!j
CN32-1
GND
~ ?;
CN32-5
+5VEX ;;
CN32-2
GND
c P;
E
CN32-6
+5V EX /;
CN32-3
GND
; PI
CN32-20
<
FG
‘. ,
—-
J
Fig. 12.11 Connection to Motor with
Separately Installed PG (1st Spindle)
37

Related product manuals