EasyManua.ls Logo

YOKOGAWA ZR22G - 5. Wiring; 5.1 General; 5.2 Wiring

YOKOGAWA ZR22G
37 pages
Print Icon
To Next Page IconTo Next Page
To Next Page IconTo Next Page
To Previous Page IconTo Previous Page
To Previous Page IconTo Previous Page
Loading...
All Rights Reserved. Copyright © 2004, Yokogawa Electric Corporation TI 11M12A01-01E
3-5
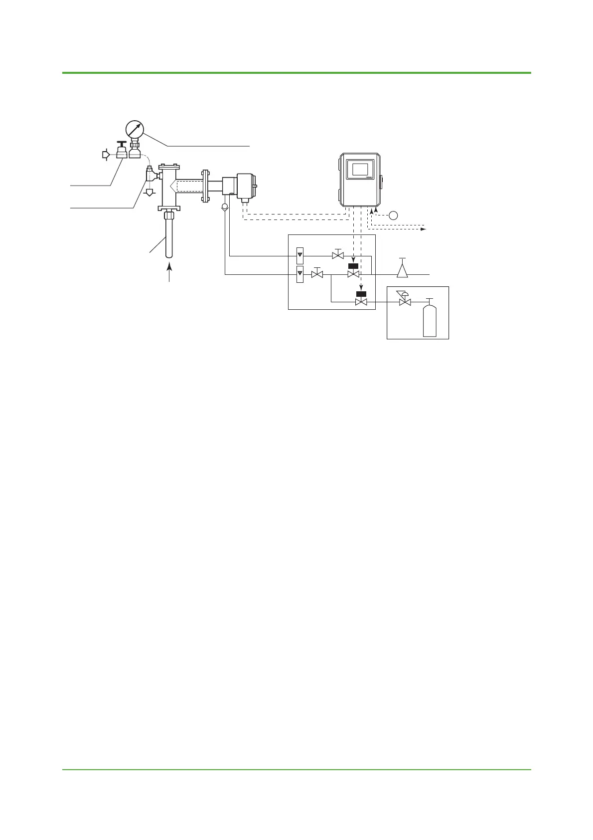
<Toc> <Ind> 3. System Configurations
(6) Type: H3 (with auto calibration, with safety purge)
F0306.EPS
EXA
ZR402G
<1> High-temperature detector ZR22G-015
Air supply
(1.5kgf/cm
2
)
Needle
valve
*2
*3
Ejector ASSY
Pressure gauge ASSY
<2> ZR402G Converter
Signal
*1
(6-core shield cable)
Heater (2-core)
Reference gas
Calibration gas
Flowmeter
Needle
valve
Zero gas cylinder
100 to 240 V AC
*2
Check valve
<3> ZR40H Auto-Calibration unit
Contact input
Analog output, contact output
Digital output (HART)
lnstrument air
Regulator
Air Set
Note 1: Shield cable; Use shielded signal cables, and connect the shield to the FG terminal of the
converter.
Note 2: When a zirconia oxygen analyzer is used, 100% N
2
gas cannot be used as the zero gas. Use
May 31,2004-00

Other manuals for YOKOGAWA ZR22G

Related product manuals