EasyManua.ls Logo

York BUZ024 - Typical Field Control Wiring Diagram

York BUZ024
24 pages
Print Icon
To Next Page IconTo Next Page
To Next Page IconTo Next Page
To Previous Page IconTo Previous Page
To Previous Page IconTo Previous Page
Loading...
268723-BIM-C-0908
Johnson Controls Unitary Products 9
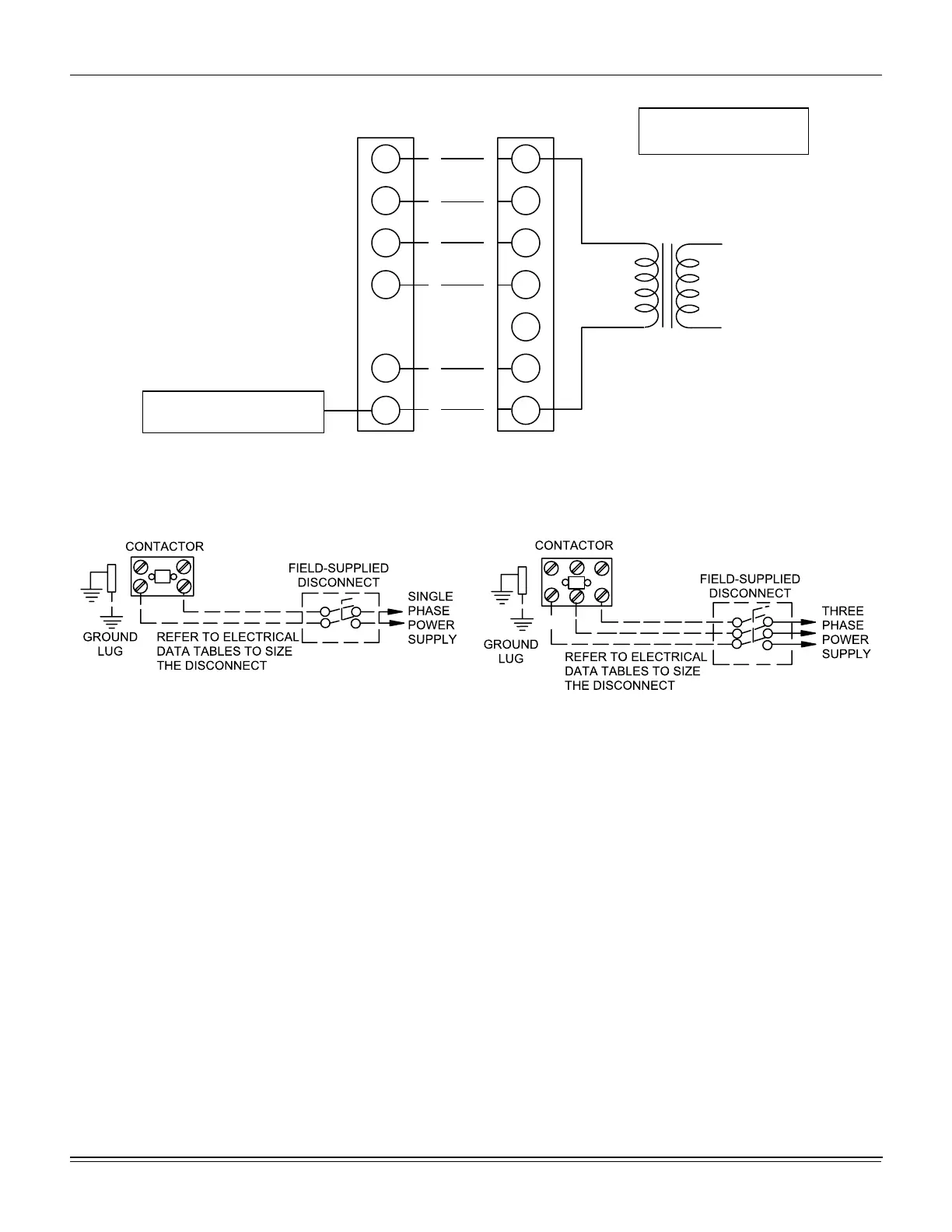
Figure 7: Typical Field Control Wiring Diagram
R
G
W
R
G
W
1
YY
W
2
O
C
O
C
** = Minimum wire size of 18 AWG
wire should be used for all field
installed 24 volt wire.
* = Only required on units with
supplemental electric heat.
PROGRAMMABLE
THERMOSTAT ONLY
THERMOSTAT
UNIT CONTROL BOARD
TERMINAL STRIP
24 VOLT
TRANSFORMER
*
*
*
NOTE: HEAT ANTICIPATOR
SHOULD BE SET AT 0.25
AMPS FOR ALL MODELS.
CAUTION: Label all wires prior to disconnection when servicing controls. Wiring errors cancause improper and
dangerous operation. Verify proper operation after servicing.

Related product manuals