EasyManua.ls Logo

York MILLENIUM YCAS Series - Page 63

York MILLENIUM YCAS Series
156 pages
Print Icon
To Next Page IconTo Next Page
To Next Page IconTo Next Page
To Previous Page IconTo Previous Page
To Previous Page IconTo Previous Page
Loading...
63
YORK INTERNATIONAL
FORM 201.18-NM6
7
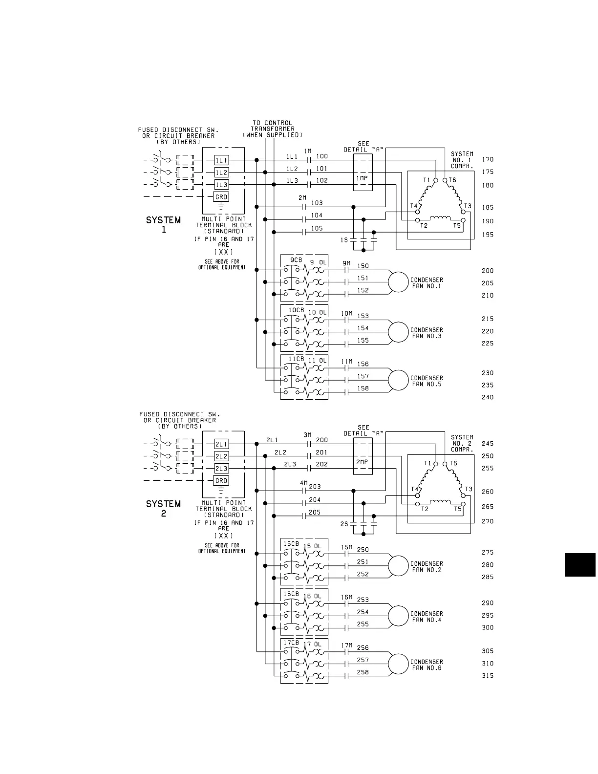
WIRING DIAGRAM
WYE-DELTA START
LD06015

Table of Contents

Related product manuals